EasyManua.ls Logo

baxter ARENA - Flow Equalizer Diaphragm Replacement

baxter ARENA
293 pages
Print Icon
To Next Page IconTo Next Page
To Next Page IconTo Next Page
To Previous Page IconTo Previous Page
To Previous Page IconTo Previous Page
Loading...
16. Preventive Maintenance
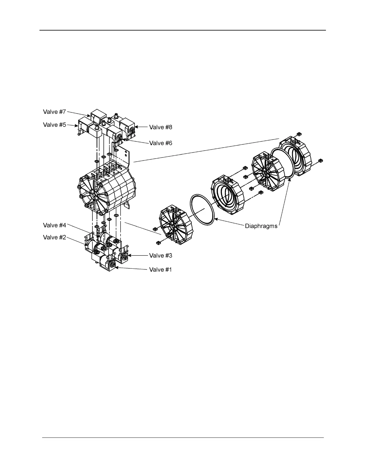
16.6 FLOW EQUALIZER DIAPHRAGM REPLACEMENT
These diaphragms should be replaced every two years during the
annual maintenance. Establish the General Preconditions (Section
16.1.2). Both diaphragms must be replaced at the same time.
Whenever the valves are removed, they must be reinstalled in the
same orientation as shown in Figure 16-7.
Figure 16-7. Flow Equalizer and Valves
157-1278-923 Rev A 16-11
February 2004

Table of Contents

Related product manuals