EasyManua.ls Logo

BRP EVINRUDE E-TEC 150 HP 2011 - FUEL SYSTEM REQUIREMENTS

BRP EVINRUDE E-TEC 150 HP 2011
416 pages
Print Icon
To Next Page IconTo Next Page
To Next Page IconTo Next Page
To Previous Page IconTo Previous Page
To Previous Page IconTo Previous Page
Loading...
134
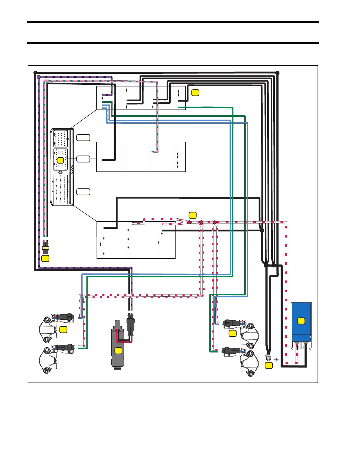
FUEL SYSTEM
FUEL SYSTEM CIRCUIT DIAGRAM – V4
FUEL SYSTEM CIRCUIT DIAGRAM – V4
1.
2.
3.
Injectors
EMM
55 V circuit (white/red)
4.
5.
6.
Capacitor
Grounds (neg)
Fuel Injector grounds
7.
8.
High pressure fuel pump
Fuel filter/water separator
007115
5
4
7
2 1
J2
J1-B
J1-A
2
1
3
2
4
1
1
1 2 3 4 5 6 7 8 9
18 19 20 21 22 23 24 25
26 27 28 29 30 31 32 33 34
1 2 3 4 5 6 7 8 9 10
11 12 13 14 15 16 17 18 19
1 2
1
2
1 2 3 4 5 6 7
10 11 12 13 14 15 16 17
14 15 16 17 18 19
20 21 22 23 24 25 26
20 21 22 23 24 25 26 27 28 29
1 2
1 2
8 9 10 11 12 13
3
6
8
1 2

Table of Contents

Related product manuals