EasyManua.ls Logo

BRP EVINRUDE E-TEC 150 HP 2011 - Page 91

BRP EVINRUDE E-TEC 150 HP 2011
416 pages
Print Icon
To Next Page IconTo Next Page
To Next Page IconTo Next Page
To Previous Page IconTo Previous Page
To Previous Page IconTo Previous Page
Loading...
ELECTRICAL AND IGNITION
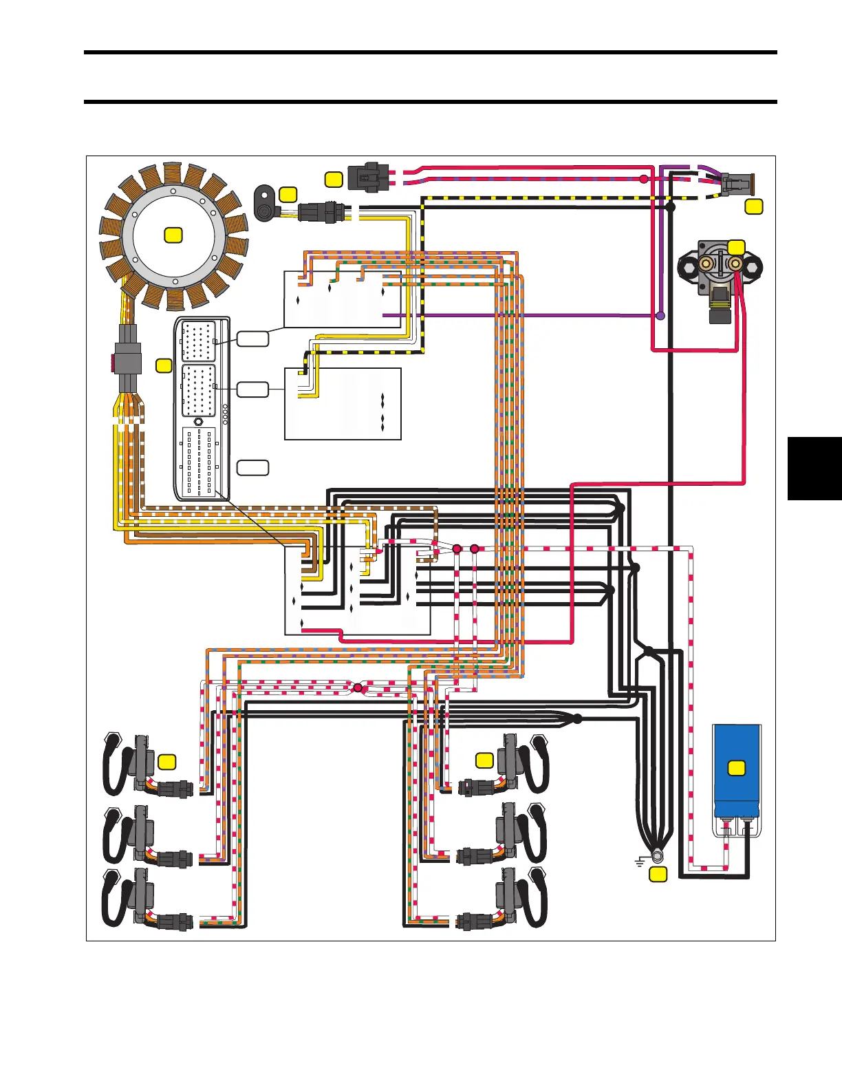
IGNITION SYSTEM CIRCUIT DIAGRAM – V6
89
6
IGNITION SYSTEM CIRCUIT DIAGRAM – V6
1.
2.
3.
Key switch (stop circuit)
Fuse
Stator
4.
5.
6.
EMM
Crankshaft position sensor
Capacitor
7.
8.
9.
Ignition coil
Main harness ground
+12 V from battery
2
1
5
3
8
6
9
B A
13
65
4
FUSE
2
1 2 3
J2
J1-B
J1-A
1 2
3
4
5
6
4
7
1
3
5
2
4
6
7
1 2 3 4 5 6 7 8 9
18 19 20 21 22 23 24 25
26 27 28 29 30 31 32 33 34
1 2 3 4 5 6 7 8 9 10
3 2 1
3 2 1
3 2 1
1 2 3 4 5 6 7
8 9 10 11 12 13
10 11 12 13 14 15 16 17
14 15 16 17 18 19
20 21 22 23 24 25 26
20 21 22 23 24 25 26 27 28 29
+
3 2 1
3 2 1
3 2 1
11 12 13 14 15 16 17 18 19
007095

Table of Contents

Related product manuals