EasyManua.ls Logo

Case 580SR+ - Hydraulic Diagram - 2 Ws Sideshift Mechanical Models; Hydraulic Diagrams

Case 580SR+
1068 pages
Print Icon
To Next Page IconTo Next Page
To Next Page IconTo Next Page
To Previous Page IconTo Previous Page
To Previous Page IconTo Previous Page
Loading...
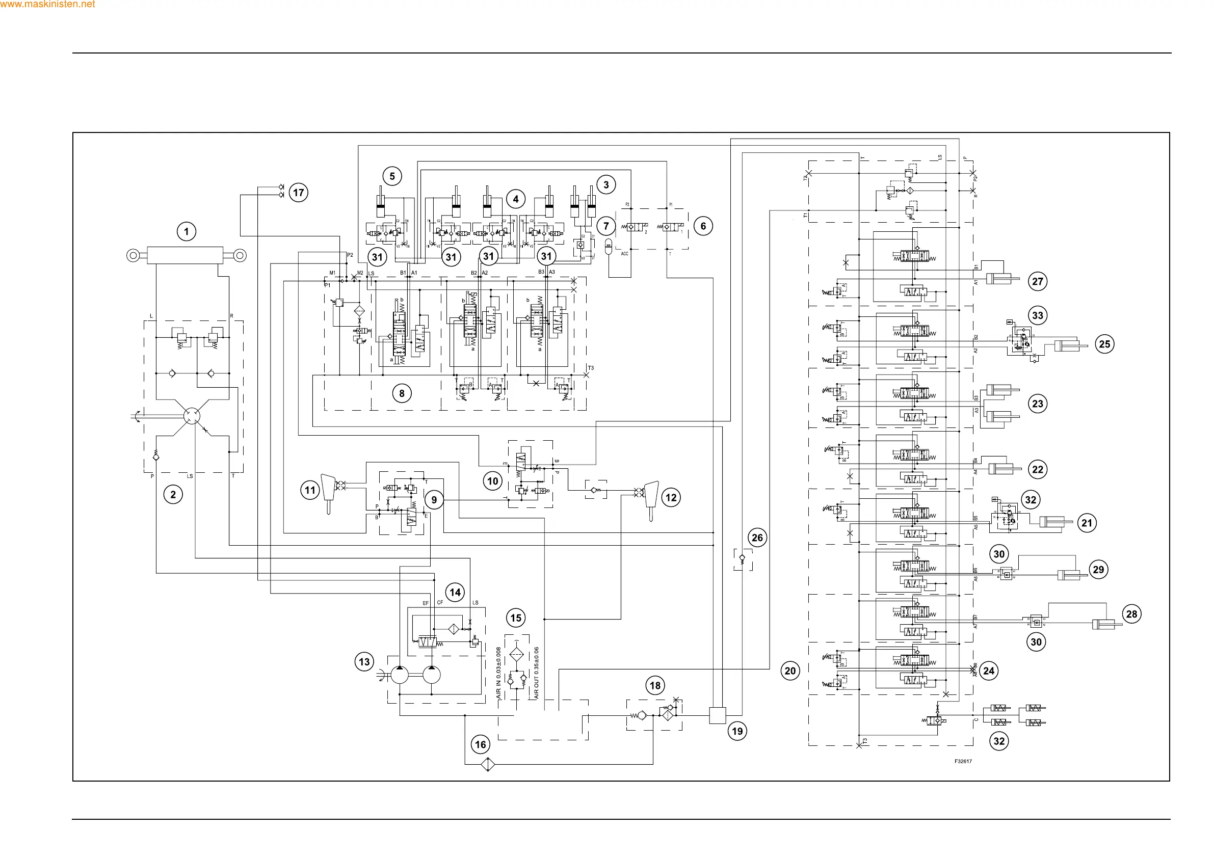
SECTION 35 - HYDRAULIC SYSTEM 3
1. HYDRAULIC DIAGRAMS
1.1 HYDRAULIC DIAGRAM - 2WS SIDESHIFT MECHANICAL MODELS
www.maskinisten.net
Copyright ©

Table of Contents

Related product manuals