EasyManua.ls Logo

Case 580SR+ - Components

Case 580SR+
1068 pages
Print Icon
To Next Page IconTo Next Page
To Next Page IconTo Next Page
To Previous Page IconTo Previous Page
To Previous Page IconTo Previous Page
Loading...
SECTION 35 - HYDRAULIC SYSTEM 19
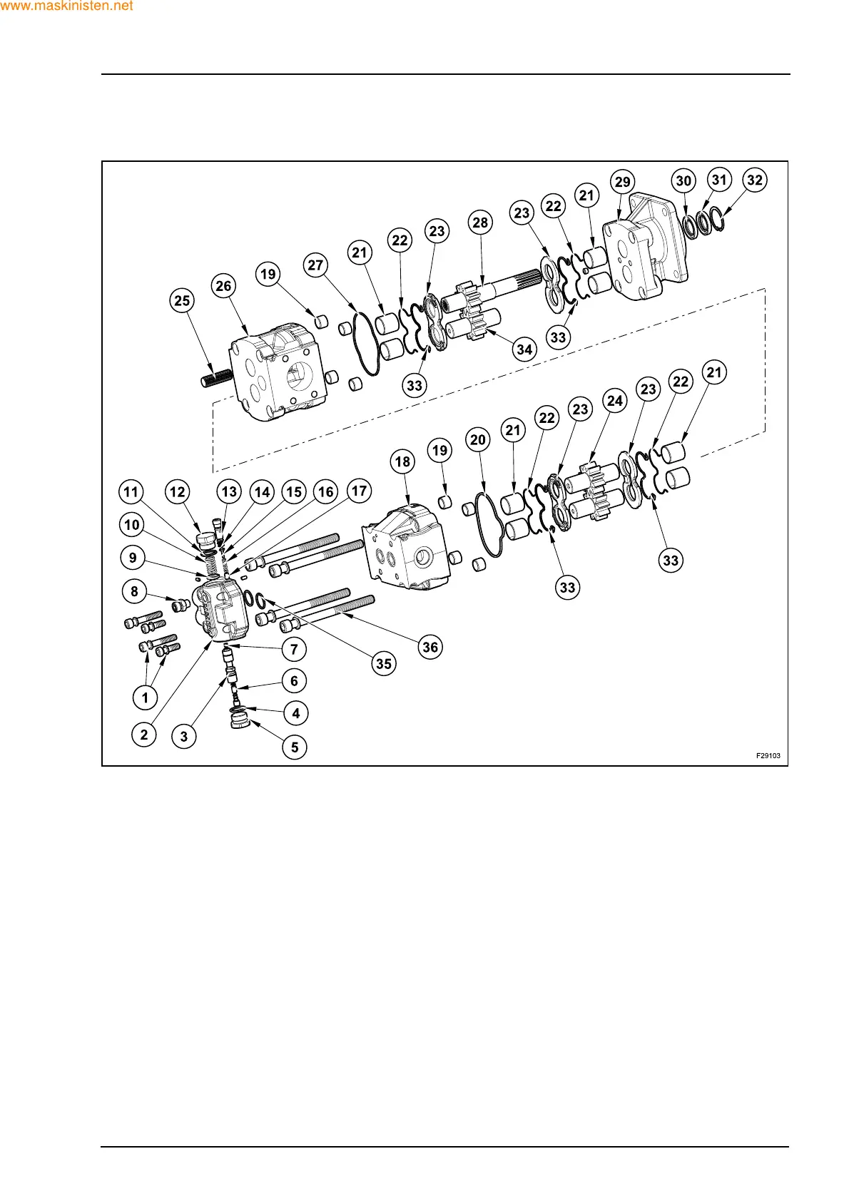
2.5 COMPONENTS
1. Screw
2. Steering control valve
3. Spool
4. O-ring
5. Plug
6. Valve
7. Filter
8. Fitting
9. Spring seat
10. Spring
11. O-ring
12. Cover
13. Relief valve
14. O-ring
15. Poppet
16. Spring
17. Seat
18. Rear pump body
19. Bushing
20. Gasket
21. Bushing
22. Elastic retainer
23. Bearing
24. Gear
25. Gear
26. Front pump body
27. Gasket
28. Gear
29. Flange
30. Ring seal
31. Ring seal
32. Circlip
33. Pressure seal
34. Gear
35. O-ring
36. Screw
www.maskinisten.net
Copyright ©

Table of Contents

Related product manuals