EasyManua.ls Logo

Case 580SR+ - Page 80

Case 580SR+
1068 pages
Print Icon
To Next Page IconTo Next Page
To Next Page IconTo Next Page
To Previous Page IconTo Previous Page
To Previous Page IconTo Previous Page
Loading...
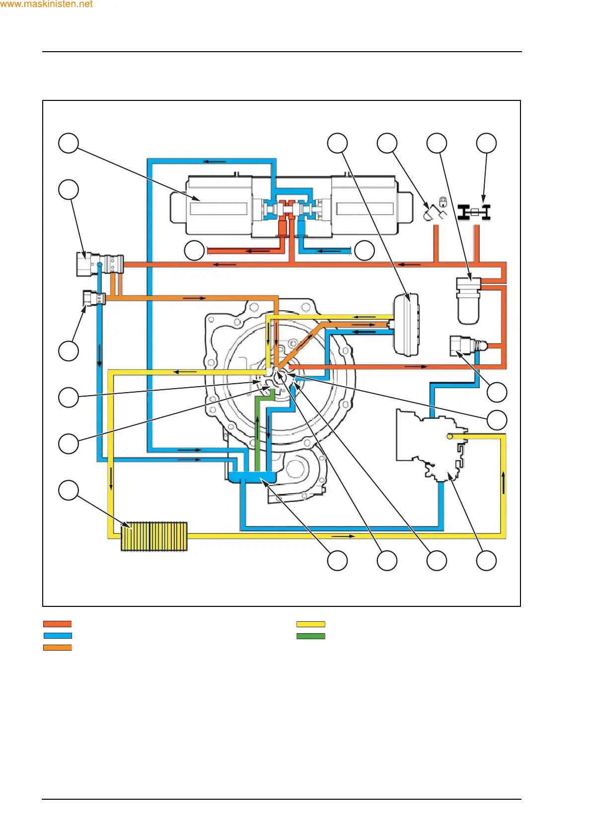
14 SECTION 21 - TRANSMISSION
OIL FLOW AND SUPPLY IN FORWARD POSITION
Pump pressure
Return to Sump
Torque converter flow
Lubrication
Suction
1. Returned lubrication oil from the pump shaft
bush to tank.
2. Torque Converter oil supply IN, received at
maximum 10 bar.
3. Transmission tank/system capacity: 17 litres
(2WD) 18 litres (4WD).
4. Oil Cooler - Mounted below the engine coolant
radiator.
5. Oil pump suction port IN, from the tank.
6. Torque Converter oil OUT, to oil cooler.
7. Torque Converter pressure regulating valve, re-
ceives oil from the sequencing valve (16) and
returns oil in excess of 10 bar to tank.
8. System pressure sequencing valve - Maintains
system oil at 14 bar and supplies a continuous
oil feed to the torque converter regulating valve.
F29969
1 2 3 4 5
11 10 9 8
6
7
F R
16
15
14
13
12
www.maskinisten.net
Copyright ©

Table of Contents

Related product manuals