EasyManua.ls Logo

Case 580SR+ - Page 841

Case 580SR+
1068 pages
Print Icon
To Next Page IconTo Next Page
To Next Page IconTo Next Page
To Previous Page IconTo Previous Page
To Previous Page IconTo Previous Page
Loading...
SECTION 55 - ELECTRICAL SYSTEM 13
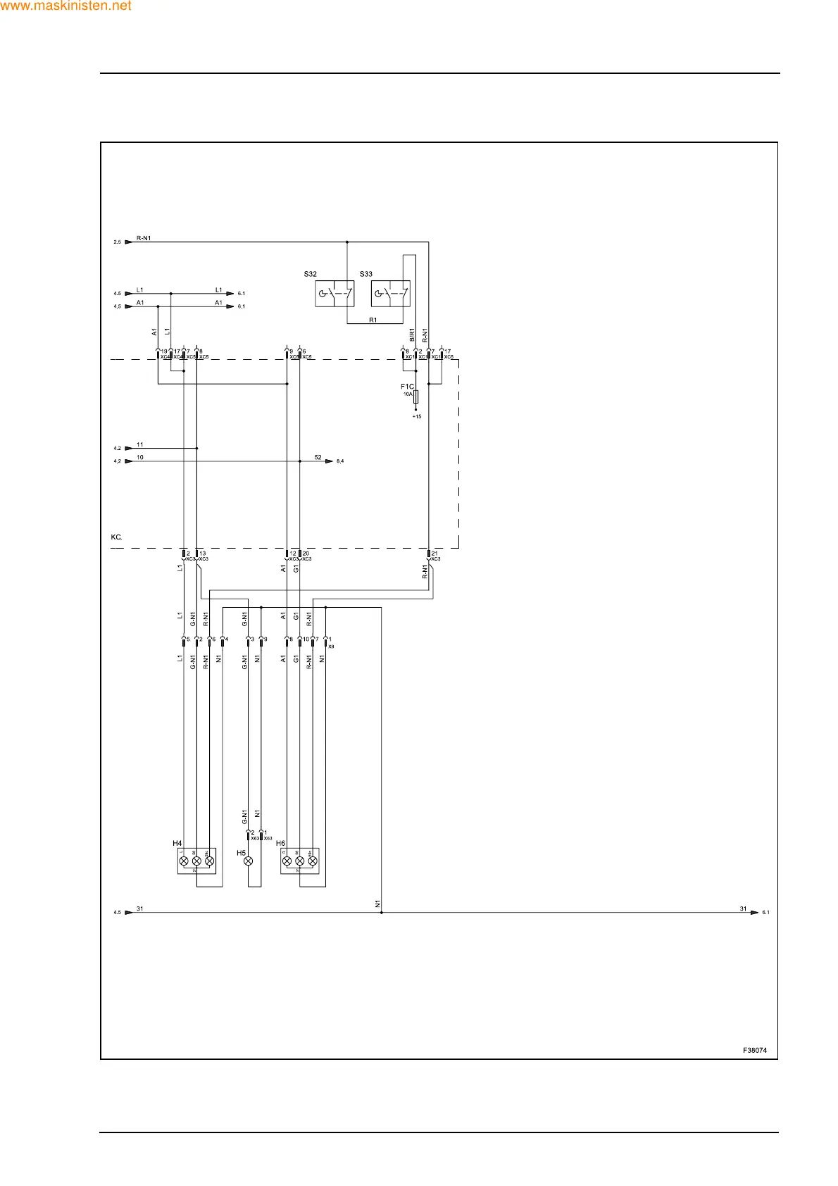
REAR LIGHT LINE DIAGRAM
www.maskinisten.net
Copyright ©

Table of Contents

Related product manuals