EasyManua.ls Logo

Case 580SR+ - Page 853

Case 580SR+
1068 pages
Print Icon
To Next Page IconTo Next Page
To Next Page IconTo Next Page
To Previous Page IconTo Previous Page
To Previous Page IconTo Previous Page
Loading...
SECTION 55 - ELECTRICAL SYSTEM 25
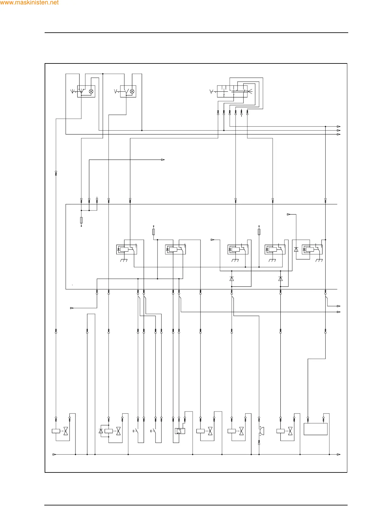
SOLENOID VALVE LINE DIAGRAM
F27480
CONTROL HORN
TO PILOT
N1
X27
1
X27
2
C-N1
G/R1
7.1
G/R1
AB
S3
24
3
M-V1
B
CA
S2
134
2
X13
10
C1
7.1
L-N1
1.1
L-N1
M-N1
M-V1M-V1
N1
N1
M-N1
K2
87
85 30
K11
87
85 30
K10
87
85 30
K4
87
85 30
K1
86
87a
87
85 30
KC
I
II
R
F
0
S40
I
II
FNRNO
++
NI
X1
6
+15
F4B
10A
+15
F4A
5A
XC3
11
XC1
1
+15
F6C
7,5A
XC3
16
X8
2
X8
1
X1
18
X1
17
N1
4.3
C1
4.4
HA1
X19
65
R-V1
3.5
X35
2
X35
1
EV2
12
EV10
X6
2
X6
1
31
1.5
31
3.1
N1
A-R1
A-R1A-R1
A-R1
B-R1
B-R1
B-R1
B-R1
X28
2
X28
1
X23
2
X23
1
X10
11
X10
9
X10
24
X10
8
H-N1
C1
XC3
1
X10
7
X10
20
H-N1
H-R1H-R1
X29
2
X29
1
X10
10
XC3
8
H-R1
R-V1
A-G1
X26
A
X26
B
X26
C
R-V1
X10
14
R-V1
R-V1
A-G1
X10
29
XC3
19
A-G1
XC3
5
XC3
9
XC3
6
A-R1
A-R1
B-R1
B-R1
N2.5
N2.5
XC6
1
M-B1
M-B1
X7
2
X7
1
M-B1
X1
4
M-B1
XC6
8
X19
2
M-B1
X19
1
N1
N1
N1
N1
N1
XC2
6
XC2
2
XC4
7
M/B1
R-N1
5.1
R-N1
XC4
11
H-N1
L/G1
XC1
5
C1
321
L/G1
M-B1
4
XC1
9
M-B1
M-N1
XC1
3
1
1.4
EV6
S28
S26 S27
3
1.4
EV9
EV8
86
87a
86
87a
86
87a
86
87a
www.maskinisten.net
Copyright ©

Table of Contents

Related product manuals