EasyManua.ls Logo

Case 580SR+ - Page 869

Case 580SR+
1068 pages
Print Icon
To Next Page IconTo Next Page
To Next Page IconTo Next Page
To Previous Page IconTo Previous Page
To Previous Page IconTo Previous Page
Loading...
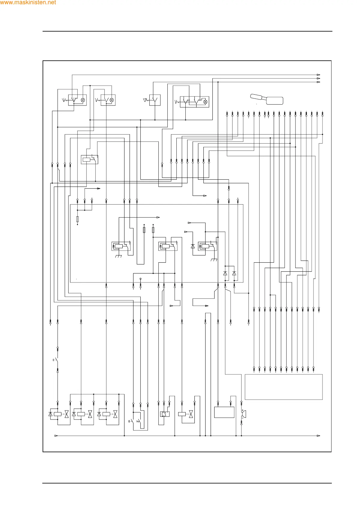
SECTION 55 - ELECTRICAL SYSTEM 41
SOLENOID VALVE LINE DIAGRAM
F27489
N1
X27
1
C1
X27
2
C-L1
X33
2
X33
1
EV8
12
X10
12
C-L1
X13
17
H-L1
X13
18
H-L1
X10
21
X28
C
S47
R-N1
5.1
AB
S29
5
6
G/R1
7.1
X7
2
X7
1
C1
7.1
M-N1
M-B1
X1
17
X1
4
M-B1
X13
5
L-N1
1.1
R-V1
X1
18
M-V1
M-V1
B-R1
B-R1
B-R1
B-R1
B
A
S48
3164
25
AB
S3
24
3
X13
19
X13
20
X13
10
B
CA
S2
134
2
Z/N1
K2
86
87a
87
85 30
K4
87
85 30
K10
87
85 30
A-R1
K14
85
87a
87
86 30
70
5.2
X28
A
X28
D
X85
ABCDEFGHJKL
G0.5
B-V0.5
M-B0.5
Z0.5
N0.5
R0.5
L0.5
S0.5
H0.5
B0.5
M0.5
M
V0.5
EJHF
L-B0.5
X83
V
X84
13
B-V0.5
B0.5
12
A
11
R
M0.5
10
P
H0.5
S
9
V0.5
8
L
S0.5
N
7
N0.5
6
T
G0.5
D
L0.5
B
R0.5
C
B-G0.5
54
MU
B-M0.5
3
Z0.5
2
G
H-B0.5
K
1
B-S0.5
S50
5
A-B1
4.1
A-B1
67
M-N1
34
N1
X23
821
B-R1
Z/N1
EGS
XC1
11
XC1
6
KC
X1
6
+15
F4B
10A
+15
F4A
7.5A
XC3
11
XC1
1
+15
F6C
7,5A
XC3
16
N1
4.1
C1
4.4
HA1
R-V1R-V1
X10
10
X32
2
X32
1
X36
1
X36
2
EV3
12
X35
2
X35
1
EV2
12
31
1.5
31
3.1
N1
A-R1
B-R1
X10
26
X10
28
H-N1
C1
XC3
1
X10
7
X10
20
H-N1
H-R1H-R1
X29
2
X29
1
X10
8
XC3
8
H-R1
R-V1
A-G1
X26
A
X26
B
X26
C
R-V1
X10
11
A-G1
X10
29
XC3
19
XC3
5
XC3
9
XC3
6
N2.5
N2.5
XC6
1
XC6
8
N1
N1
N1
XC2
6
XC2
2
XC4
7
M/B1
XC4
11
H-N1
XC1
5
C1
XC1
9
XC1
3
1
1.4
EV6
S28
S30
S26
3
1.4
87a
86
87a
86
www.maskinisten.net
Copyright ©

Table of Contents

Related product manuals