EasyManua.ls Logo

Case 580SR+ - Page 874

Case 580SR+
1068 pages
Print Icon
To Next Page IconTo Next Page
To Next Page IconTo Next Page
To Previous Page IconTo Previous Page
To Previous Page IconTo Previous Page
Loading...
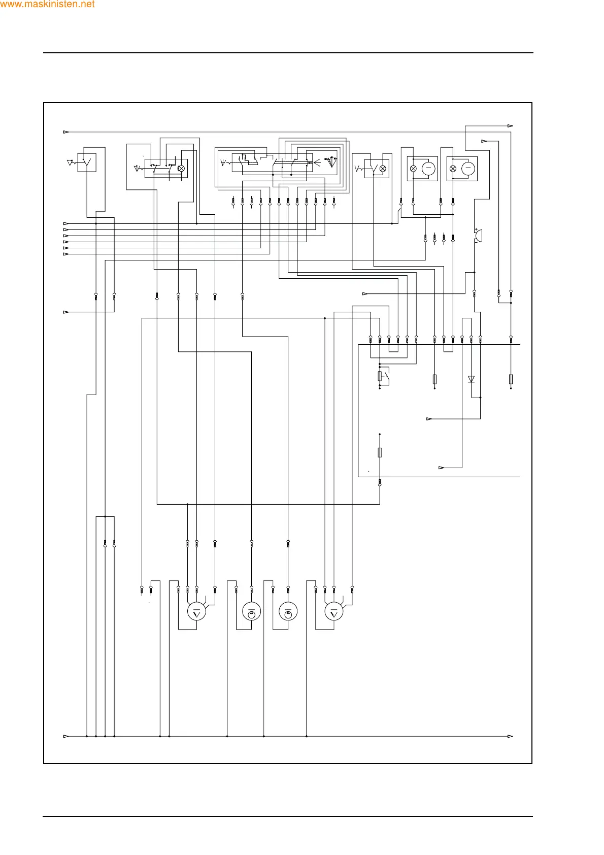
46 SECTION 55 - ELECTRICAL SYSTEM
WINDSHIELD WIPER WASHER LINE
F27494
7
946
5
13
2
S53
1
02
A/R1
L/B1
A/N1
A/B1
R-N1
8.1
R-N1
HA3
X87
2
X13
1
X13
21
C-N1
1.5
C/N1
3.5
AB
S15
24
3
X88
6
X88
5
C1
2.3
AB
S54
5
6
X13
9
X88
3
X88
4
X88
2
X88
1
71
5.3
KC
M9
F7C
6A A.R.
1
0
2
0
L
R
S41
57/58 56b 56a 54S 54D
49
53 31b
56 L 3130 15
X41
-
X41
l
X61
12
X81
l
X80
l
N1.5
M1
L1
X80
-
X81
-
A-G1.5
X43
4321
L1
4.5
L-N1
4.5
A1
4.5
11109
L-N1
A1
L1
V-N1.5
4.5
G/R1
2.1
54
V-N1.5
G/R1
A-V1.5
XC5
16
XC2
1
A-V1.5
A-G1.5
XC4
1
A-G1.5
C/N1
XC3
7
A/B1
6
XC4
14
A/B1
XC5
3
X49
1
A/B1
R/N1
4
XC5
4
R/N1
A/R1
8
XC4
15
A/N1
7
XC4
12
A/N1
3
XC5
1
A/N1
X12
4
X12
1
2
X39
3
XC3
17
1
X12
5
X12
2
X57
l
X56
l
X12
3
231
L-B1
X57
-
X56
-64
N1
6.5
N1
N1
N1
N1
N1
N1
N1.5
X10
6
N1.5
X10
5
C/N1
6.5
C/N1
50
4.4
XC2
4
XC2
5
Z1
XC2
7
Z1
M
M7
M
M5
53
53a
53b
31b
31
M
M6
+15
F6A
7,5A
+15
F3C
10A
31
8.1
31
6.5
M
H15
M
H16
M
M4
53
53a
53b
31b
31
+15
+15
F1A
15A
www.maskinisten.net
Copyright ©

Table of Contents

Related product manuals