EasyManua.ls Logo

Delta DCS - Wiring Example of I;O Output; Figure 3-32 Wiring Example of Light Signal or Relay (Loading Positive); Figure 3-33 Wiring Example of Light Signal or Relay (Loading Negative))

Delta DCS
67 pages
Print Icon
To Next Page IconTo Next Page
To Next Page IconTo Next Page
To Previous Page IconTo Previous Page
To Previous Page IconTo Previous Page
Loading...
25
3. EXTERIOR LOOK OF DCS CONTROLLER AND DESCRIPTIONS OF CONNECTORS
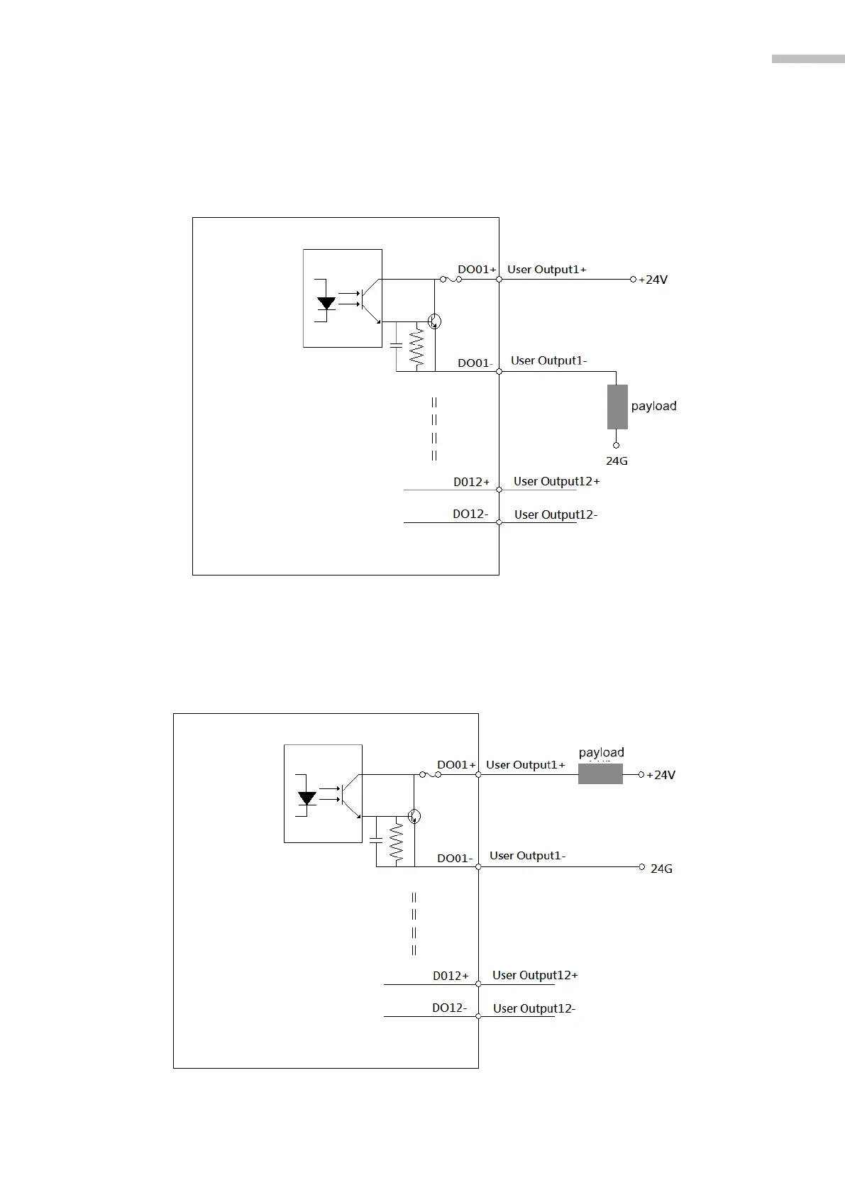
3.4.9 Wiring example of I/O Output
Light signal or relay (loading negative)
I/O connector (MDR 50pin Female)
Figure 3-32 Wiring example of light signal or relay (loading positive)
Light signal or relay (loading positive)
I/O connector (MDR 50pin Female)
Figure 3-33 Wiring example of light signal or relay (loading negative))

Table of Contents

Related product manuals