EasyManua.ls Logo

Fantic XE 125 - Page 50

Fantic XE 125
153 pages
Print Icon
To Next Page IconTo Next Page
To Next Page IconTo Next Page
To Previous Page IconTo Previous Page
To Previous Page IconTo Previous Page
Loading...
1. General information
USE AND MAINTENANCE MANUAL CHAPTER 1
GENERAL INFORMATION2-Strokes - Edition 01 / 2023
49
1
45
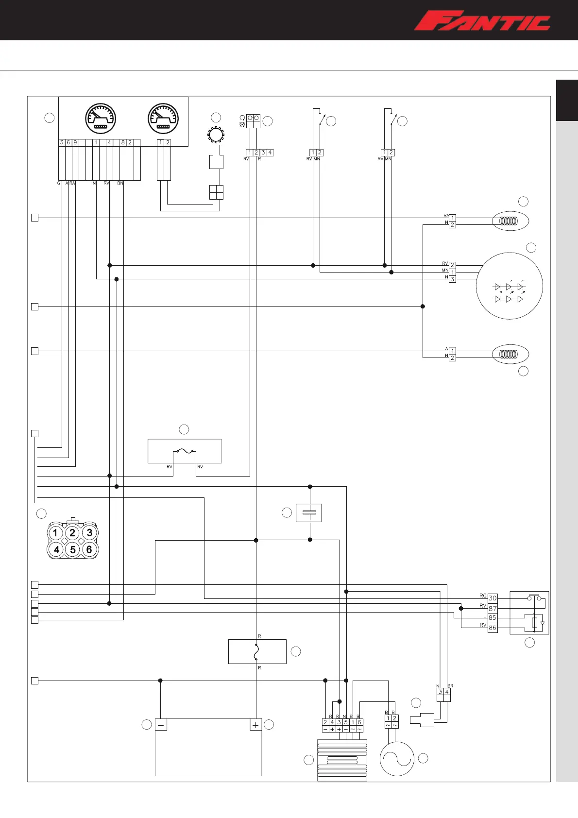
SPEED
GND
NEUTRAL
MIL
12V
GND
RIGHT
LEFT
HIGH BEAM
24
9
11
8
7
6
12
13
14
15
16
171819
20
10
A
B
C
D
E
G
H
F
J
K
5
3
6
4
1
2
(F2) 5A
(F1) 7.5A

Table of Contents

Related product manuals