EasyManua.ls Logo

Fantic XE 125 - Wiring Diagram (XE 125 Version)

Fantic XE 125
153 pages
Print Icon
To Next Page IconTo Next Page
To Next Page IconTo Next Page
To Previous Page IconTo Previous Page
To Previous Page IconTo Previous Page
Loading...
13 Motore1. General information
USE AND MAINTENANCE MANUAL CHAPTER 1
GENERAL INFORMATION2-Strokes - Edition 01 / 2023
48
25
27
1
2
28
29
30 31
3
24
21
32
22
23
26
A
B
C
D
E
G
H
F
J
K
K LINE
CAN H
CAN L
VBATT
GND
CAN L
CAN H
K LINE
COIL
KILL
PICKUP
GND
GND
+12V
LIGHT RELAY
MIL
TPS
V_REF
MAP SEL.
POWERJET
V_REF
TPS
GND
HIGH B. 5
LEFT 3
RIGHT 6
VKEY 4
GND 1
LIGHT RELAY 2
5
3
6
4
1
2
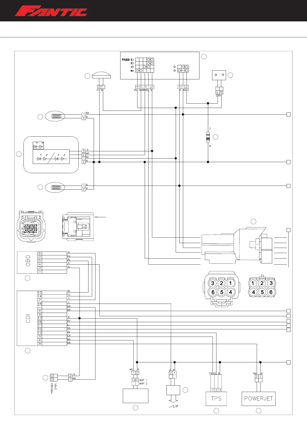
Wiring diagram (XE 125 version)

Table of Contents

Related product manuals