EasyManua.ls Logo

GUDEL FlexxPump4 N - Flexxpump4 N;B 10-Fold; Fig. 5 -5 Design Flexxpump4 N;B 10-Fold

Default Icon
177 pages
Print Icon
To Next Page IconTo Next Page
To Next Page IconTo Next Page
To Previous Page IconTo Previous Page
To Previous Page IconTo Previous Page
Loading...
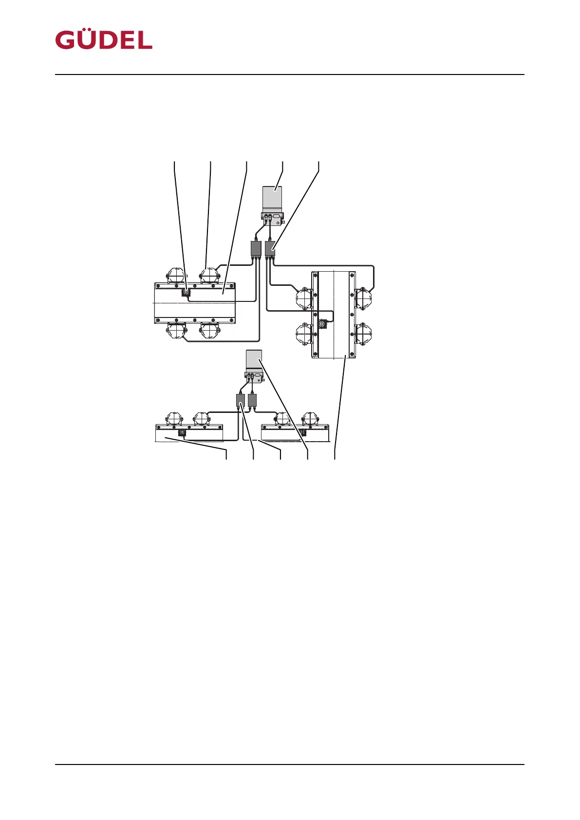
5.4.3.4 FlexxPump4 N/B 10-fold
Lubrication system with 10 lubrication points
D003489
A B C D E
J I H G F
Fig.5-5 Design FlexxPump4 N/B 10-fold
A Lubricating pinion (not included in the
scope of delivery)
F 2. Axis (not included in the scope of de-
livery)
B Lubricating element (not included in the
scope of delivery)
G 2. FlexxPump4N/B
C 1. Axis (not included in the scope of de-
livery)
H Lubrication line diameter 6/3mm
D 1. FlexxPump4N/B I Splitter
E Splitter J 3. Axis (not included in the scope of de-
livery)
Commissioning OPERATING MANUAL FlexxPump4N Lubrication System
3422906891_v1.0_EN-US
48

Table of Contents

Related product manuals