EasyManua.ls Logo

HBM MP85A - Setting Parameters on the Device

HBM MP85A
160 pages
Print Icon
To Next Page IconTo Next Page
To Next Page IconTo Next Page
To Previous Page IconTo Previous Page
To Previous Page IconTo Previous Page
Loading...
Starting up/Setup mode
MP85A A0293_06_E00_03 HBM: public 61
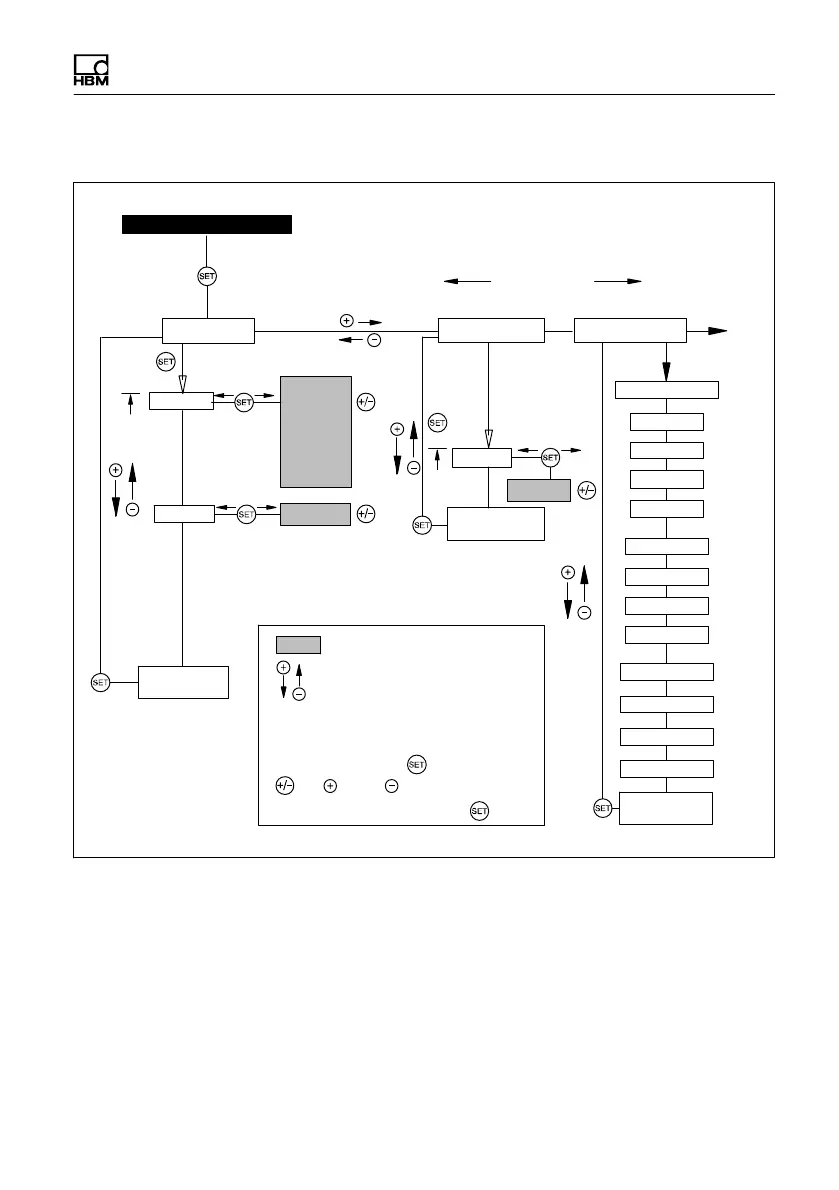
7.1.3 Setting parameters on the device
1127
Baud rate
Address
±
°
10kB
20kB
50kB
100kB
125kB
250kB
500kB
1000kB
±
°
Back
Main GRP
Address
Back
Main GRP
2s
=or
Confirm entry:
press
±
°
Flashes if parameter value can be edited
Parameter values
Select parameter
2s
3123
±
°
MAC address
IP-Adr.1
SubNetM1
Back
Main GRP
SubNetM2
SubNetM3
SubNetM4
IP-Adr.2
IP-Adr.3
IP-Adr.4
IPGatew1
IPGatew2
IPGatew3
IPGatew4
CAN bus
Groups
PROFIBUS
Back to measuring mode:
Measured Value
ETHERNET

Table of Contents

Related product manuals