EasyManua.ls Logo

Hitachi PXR-D - Page 49

Hitachi PXR-D
319 pages
To Next Page IconTo Next Page
To Next Page IconTo Next Page
To Previous Page IconTo Previous Page
To Previous Page IconTo Previous Page
Loading...
1-38 Connection of signals
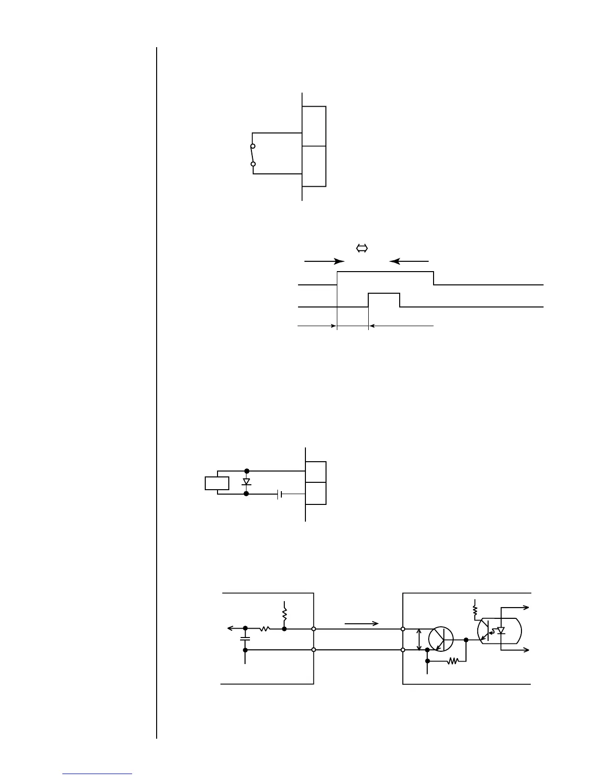
1.5.3-8 Print output signal (output)
The following shows the wiring of the signal that is outputted when a printing
operation is being conducted or completed by the IJ printer.
(a) Wiring
TB1
12
13 GND
Print output
Load
¡
If a relay, solenoid, or other inductive load is employed, connect a counter-
electromotive force generation prevention diode in parallel with the load.
¡
The load circuit is for DC only. It cannot be used with an AC load.
Output specifications
GND
Vd
IL
V
CE
+12V
Tr
GND
IJ printer External device
TB1
12
13
1.5.3-7 Reciprocative printing signal (input)
The following shows the connection terminal for the signal that delivers instructions for a
change in the order of characters to be printed.
When the input is OFF: Forward transport
When the input is ON: Backward transport
1 2 3        1 2 3 (The arrow indicates
the sequence of printing.)
OFF state ON state
Input specifications
A no-voltage contact must be used for
input.
In the case of noncontact, the following
requirements must be met.
Withstanding voltage : 12 VDC or more
Maximum drive current: 12 mA or more
Residual voltage : 2 V or less
Leak current : 0.1 mA or less
Drive method : Open collector
(No-voltage contact)
A current of about
12 mA flows.
TB1
GND
Signal
9
11
(Example)
※
100 ms min.
Reverse direction printing signal
Print object detection signal
Ensure that the interval between reciprocative printing signal
changeover (ONOFF or OFFON) and print object detection
signal input is at least 100 ms.
OFF
OFF
ON
ON
Operation when
changing the
correspondence
between signal
ON/OFF and printing
direction:
(See "4.2 Setting up
User Environment")
¡
The output transistor (Tr) is of an open collector type. It operates as indicated below.
While printing is performed (printing-completed signal ON) : Tr ON
While no printing is performed (printing-completed signal OFF) : Tr OFF

Table of Contents

Related product manuals