EasyManua.ls Logo

Honda BF40D - Page 146

Honda BF40D
737 pages
Print Icon
To Next Page IconTo Next Page
To Next Page IconTo Next Page
To Previous Page IconTo Previous Page
To Previous Page IconTo Previous Page
Loading...
9-30
1
2
3
4
5
6
7
8
9
10
11
12
13
14
15
16
17
18
19
20
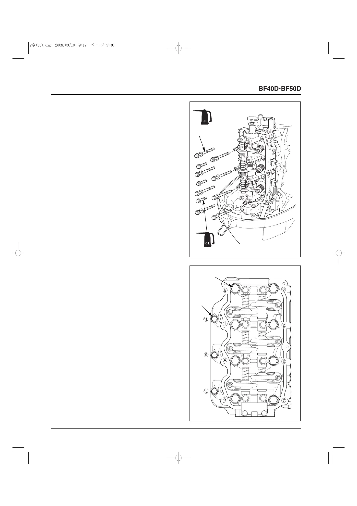
5) Apply engine oil to the threads and seat of the 10 x 85 mm
bolt-washer and 8 x 40 mm flange bolt. Loosely tighten the
eight 10 x 85 mm bolt-washers and the three 8 x 40 mm
flange bolts on the cylinder head assembly.
6) Tighten the eight 10 x 85 mm bolt-washers and the three 8
x 40 mm flange bolts in two or three steps in the numbered
sequence shown. Tighten to the specified torque.
After tightening the 10 x 85 mm bolt-washers to the
specified torque, mark the bolts and the cylinder head, then
tighten the bolts further to 90
o
-
120
o
in the numbered
sequence shown.
TORQUE:
10 x 85 mm bolt-washer: 40 N
.
m (4.1 kgf
.
m, 30 lbf
.
ft) + 90
o
-
120
o
8 x 40 mm flange bolt: 27 N
.
m (2.8 kgf
.
m, 20 lbf
.
ft)
7) Install the following parts.
- Silencer/throttle body/intake manifold (P. 5-94)
- Pulser rotor/pulser coil (P. 7-26)
- Fuel strainer (low pressure side)/fuel pump (low pressure
side)/fuel tube (P. 5-112)
- Alternator cover (P. 7-2)
- Engine cover (P. 4-2)
8) Adjust the valve clearance after assembly (P. 3-10).
Install the cylinder head cover (P. 9-31).
9) When the engine is started after adjustment, follow the
starting procedure after assembly (P. 2-4).
[1]
10 x 85 mm BOLT-
WASHER (8)
8 x 40 (3)
[1]
10 x 85 mm
BOLT-
WASHER (8)
8 x 40 (3)
146

Table of Contents

Other manuals for Honda BF40D

Related product manuals