EasyManua.ls Logo

Honda BF40D - Page 548

Honda BF40D
737 pages
Print Icon
To Next Page IconTo Next Page
To Next Page IconTo Next Page
To Previous Page IconTo Previous Page
To Previous Page IconTo Previous Page
Loading...
15-4
1
2
3
4
5
6
7
8
9
10
11
12
13
14
15
16
17
18
19
20
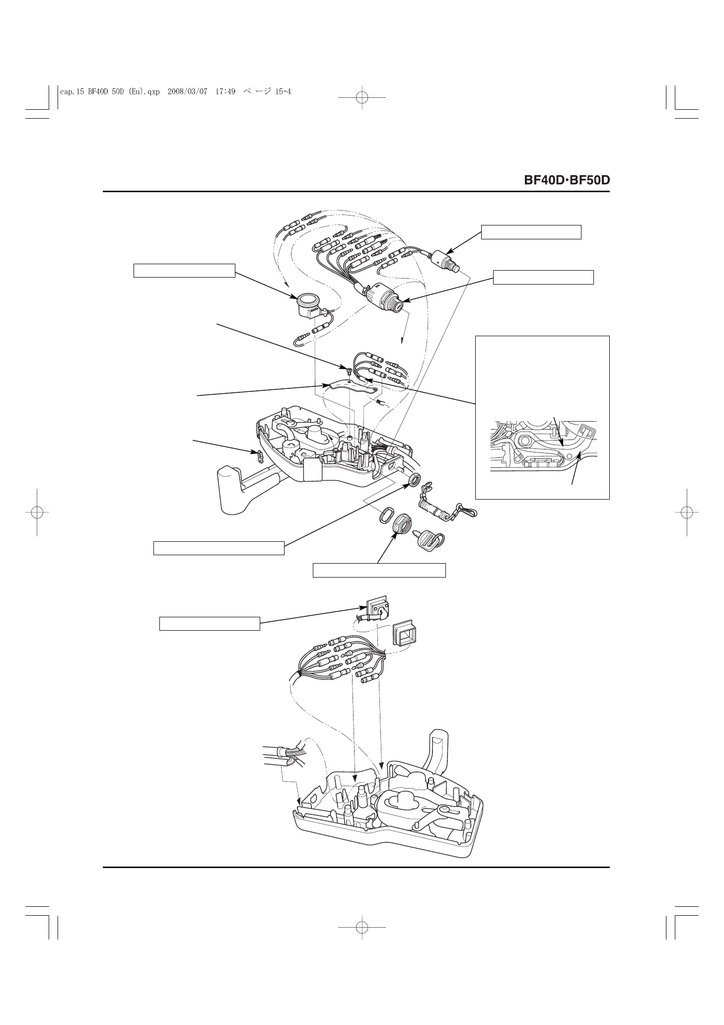
• ELECTRIC COMPONENTS
[9]
5 x 8 mm SELF-
TAPPING SCREW (2)
[POWER TRIM/TILT
TYPE ONLY]
[8]
POWER TILT
CORD CLAMP
[POWER TRIM/
TILT TYPE ONLY]
[7]
SPARE EMERGENCY
STOP SWITCH CLIP
[1]
WARNING BUZZER
INSPECTION: P. 15-8
[2]
EMERGENCY STOP SWITCH
INSPECTION: P. 15-8
[3]
COMBINATION SWITCH
INSPECTION: P. 15-8
[4]
POWER TRIM/TILT
SWITCH WIRE [POWER
TRIM/TILT TYPE ONLY]
INSTALLATION:
Route the power trim/tilt
switch wire and set the
power tilt cord clamp as
shown.
[4]-1
POWER TRIM/TILT
SWITCH WIRE
[4]-2
POWER TILT CORD CLAMP
[6]
16 mm HEX NUT
1.5 N
.
m (0.2 kgf
.
m, 1.1 lbf
.
ft)
[5]
22 mm NUT
4.8 N
.
m (0.5 kgf
.
m, 3.5 lbf
.
ft)
[10]
INDICATOR LIGHT
INSPECTION: P. 15-9
548

Table of Contents