EasyManua.ls Logo

Honda BF40D - Page 552

Honda BF40D
737 pages
Print Icon
To Next Page IconTo Next Page
To Next Page IconTo Next Page
To Previous Page IconTo Previous Page
To Previous Page IconTo Previous Page
Loading...
15-6
1
2
3
4
5
6
7
8
9
10
11
12
13
14
15
16
17
18
19
20
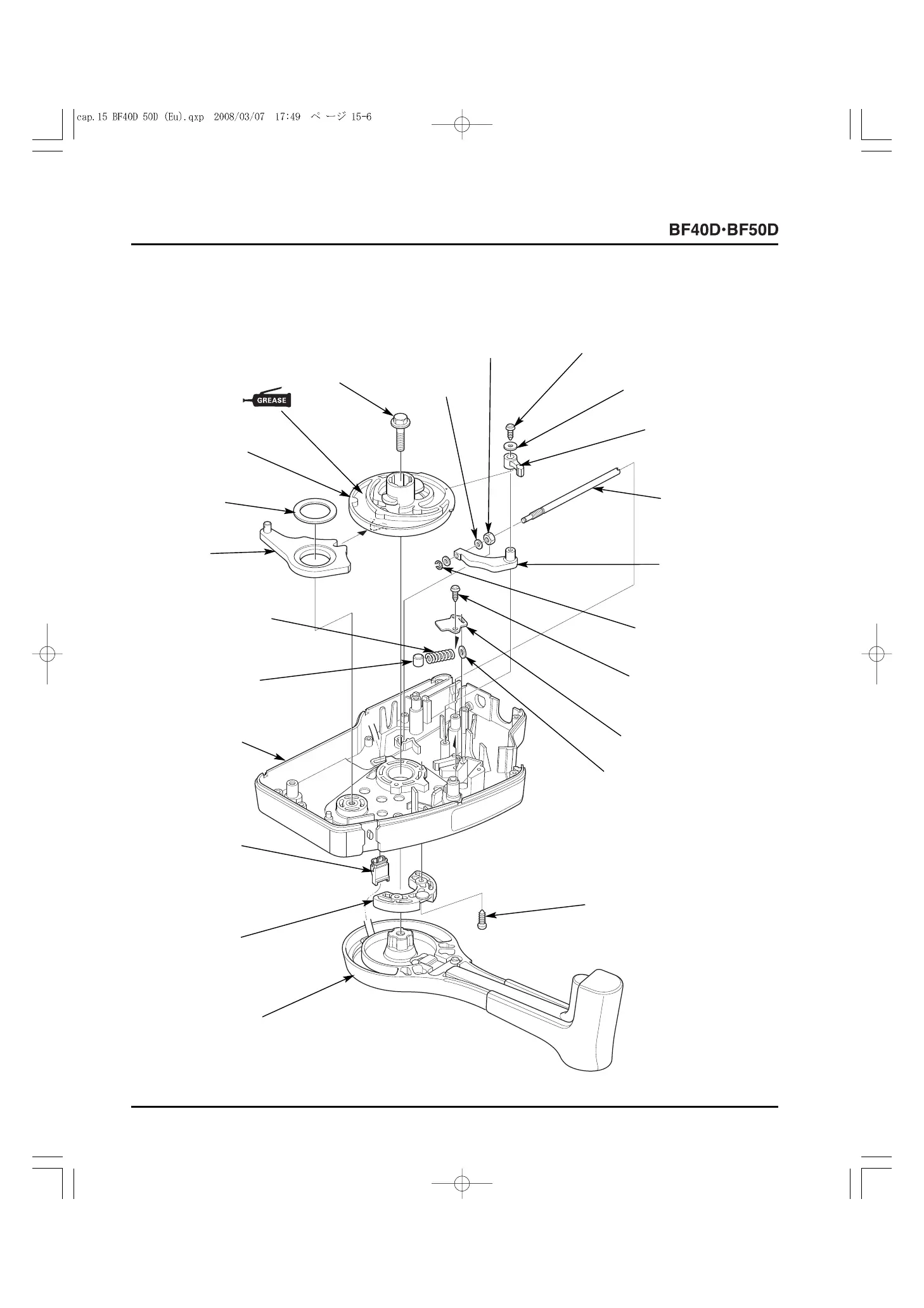
[7]
FRICTION
ADJUSTING BOLT
[8]
THROTTLE
FRICTION BLOCK
[6]
NEUTRAL SWITCH
SPACER
[5]
5 mm WASHER
[5]
5 mm WASHER
[2]
4 mm
WASHER (2)
8 x 35
[1]
CONTROL WHEEL
[20]
28 mm WASHER
[19]
SHIFT LINK
ARM
[18]
9.8 x 27.1 mm SHIFT
DETENT SPRING
[17]
9 x 10 mm SHIFT
DETENT ROLLER
[16]
REMOTE CONTROL
BOX HOUSING A
[15]
HARNESS GUIDE
PIPE
[14]
NEUTRAL
LOCK BLOCK
[13]
REMOTE CONTROL
LEVER ASSEMBLY
[4]
5 x 10 mm SELF-
TAPPING SCREW
[10]
5 x 10 mm SELF-
TAPPING SCREW
[12]
6 x 16 mm SELF-
TAPPING SCREW (2)
[11]
SPRING SETTING PLATE
[3]
6 mm HEX
NUT
[9]
3 mm E-RING
• REMOTE CONTROL LEVER ASSEMBLY/CONTROL WHEEL
552

Table of Contents