EasyManua.ls Logo

Juice ULTRA - JUICE ULTRA Schematic for the Quadruple Slot Version; Figure 30: JUICE ULTRA Schematic for the Quadruple Slot Version

Juice ULTRA
72 pages
Print Icon
To Next Page IconTo Next Page
To Next Page IconTo Next Page
To Previous Page IconTo Previous Page
To Previous Page IconTo Previous Page
Loading...
JUICE ULTRA - Operation Instructions and Installation Guide
Version 1-3A
4 JUICE ULTRA installation
Page 43 of 72
All rights reserved. The reproduction of this document, also partially, is allowed only with authorization by alpitronic s.r.l.
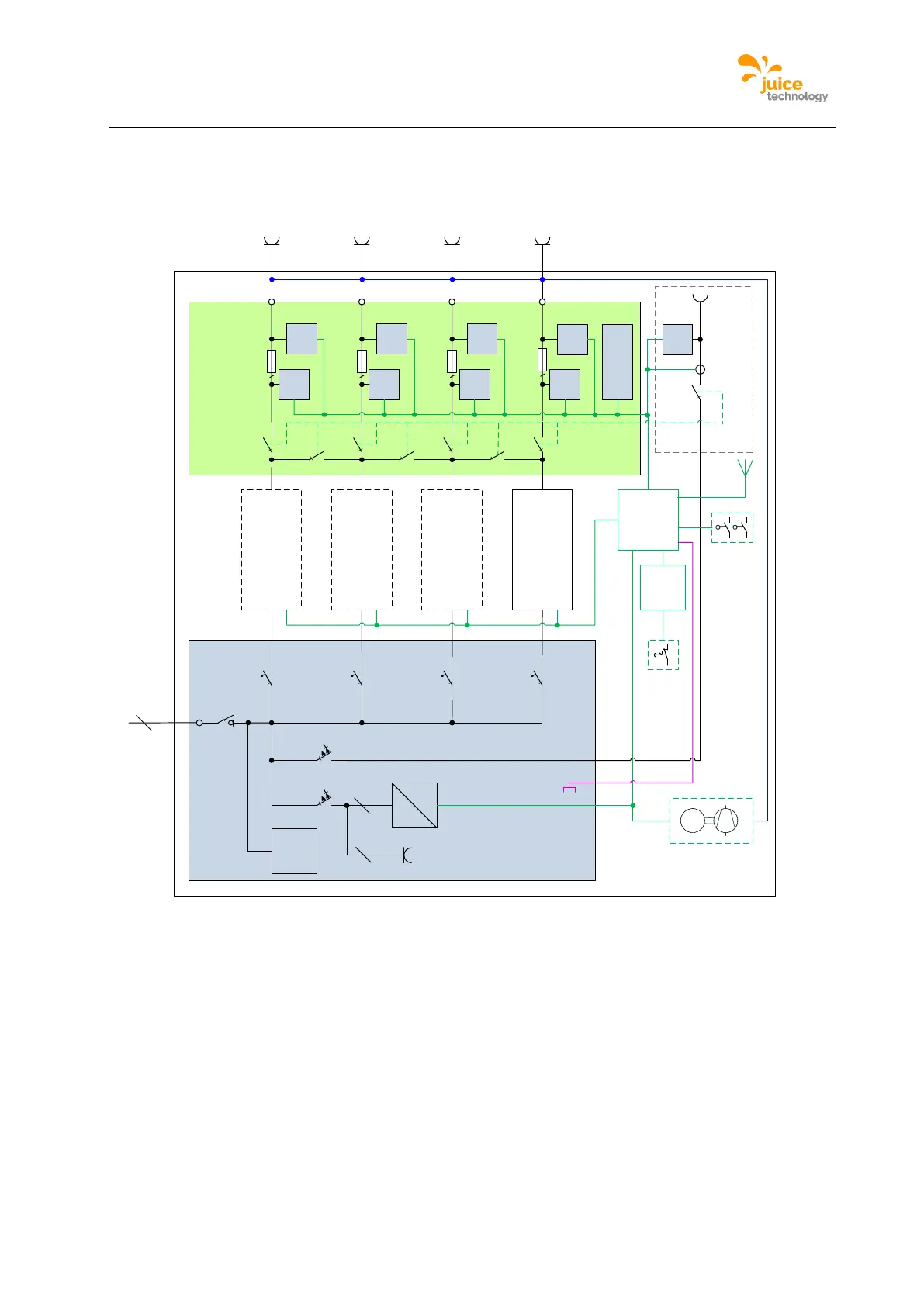
4.2.2. JUICE ULTRA schematic for the quadruple slot version
The following figure shows the schematic of the JUICE ULTRA for the quadruple slot version:
Figure 29: JUICE ULTRA schematic for the quadruple slot version
DC-output
switchgear
AC input
switchgear
400V ~
24V
DC
CTRL_C
OM
Display
STACK
(AC/DC)
4
EMC,
lightning
protection
main
switch
3
DC charging
4
DC charging
1
AC-CCS
2
STACK
(AC/DC)
-FC4
2 2
2
4
STACK
(AC/DC)
STACK
(AC/DC)
2 2
GRID
-KF1
-TB1
-QB1
125A
10kA
3
125A
10kA
3
125A
10kA
3
125A
10kA
3
-QA4 -QA3 -QA2 -QA1
-FB1
-FB2
30mA/16A
10kA
4
30mA/32A
10kA
4
-FA1
-TB5 -TB4 -TB3 -TB2
-QB5 -QB2
-QB8 -QB7 -QB6
-QB9
-BX4
-BX1
<R <R
-FC1
-XD1
3+N+PE
-XD2
-XD6 -XD3
-KF3
2
2
-BE3
Wh
-BE4
Wh
I/U
-BE1
Wh
I/U
-TF1
CTRL_COM
HD
-KF2
STOP
Door contact
-XF1
Ethernet
(RJ45)
-SF2 -SF3
-SF1
Power socket
230Vac
-XD11
-XD7-XD10
HYC
-BC1
DI<6mA
CTRL
_IO_1
&
(CTRL
_IO_2)
AC-
Charging
(optional)
(option)
(option)
-EP1
(option)
Cooling unit
M
M
DC charging
3
-FC3
2
-QB4
-BX3
<R
-XD5
2
-BE3
Wh
I/U
-XD9
DC charging
2
-FC2
2
-QB3
-BX2
<R
-XD4
2
-BE2
Wh
I/U
-XD8

Table of Contents

Related product manuals