EasyManua.ls Logo

Kidde ARIES - Page 59

Kidde ARIES
282 pages
Print Icon
To Next Page IconTo Next Page
To Next Page IconTo Next Page
To Previous Page IconTo Previous Page
To Previous Page IconTo Previous Page
Loading...
P/N 06-236530-001 2-17 August 2013
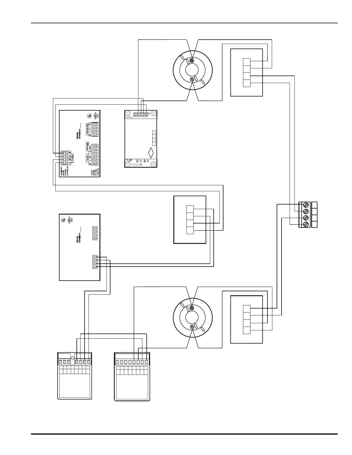
Figure 2-15. Class-A, Style-6 Signaling Line Circuit
RET RET24 V 24 V
OUT IN
RET RET24 V 24 V
OUT IN
4321
3
7
3
7
765
4321
PC PC PC PC
(+) (-) (+) (-)
N/C
COM
N/O
7654321
PC PC PC PC
(+)(-) (+)(-)
8
A
SW
B
SW
(+)
LED
(-)
LED
AO Relay Module
AI Monitor Module
Detector Base
Isolator Module
(Single-Gang Mount)
AAM AlarmLine Module
Isolator Module
(Single-Gang Mount)
Detector Base
PALM Monitor Module
BABA
INOUT
PC LINE
BLU
RED
WHT
ORN
ASM Signal Module
ADDRESS
FM
APPROVED
IN
OUT
RXTX
RXTX
GND
SLC Terminals on
Printed-Circuit Board
(TB1)
Notes:
1. Move SLC-Style Switch S2 to the right into the Style-6 position.
2. Each isolator module creates a 0.12-V voltage drop.
RET RET24 V 24 V
OUT IN
Isolator Module
(Single-Gang Mount)
Caution:
Do not use looped wire under terminals of
detector bases. Break SLC wire run to provide
supervision of connections
.

Table of Contents

Related product manuals