EasyManua.ls Logo

KOB PYROT - Page 21

KOB PYROT
96 pages
Print Icon
To Next Page IconTo Next Page
To Next Page IconTo Next Page
To Previous Page IconTo Previous Page
To Previous Page IconTo Previous Page
Loading...
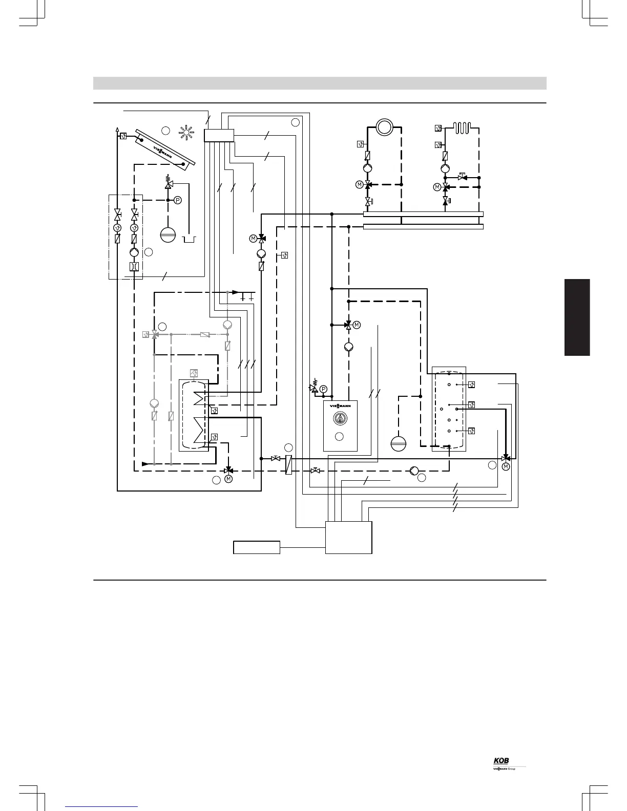
KW
WW
--M20--
--Y20--
---
--Y6X.1--
--Y6X.2--
--Y6X.1--
--M6X.1--
--B6X.2--
--B6X.1--
--M6X.1--
---
--B6X.1--
--B28.1--
--B28.2--
--B28.3--
CAN
B
--B6X.2--
--M6X.2--
2
4
2
2
3
4
3
2
2
4
3
2
4
2 2
4
3
E
Return
Flow
A
D
B
C
G
F
H
KW Cold water
WW DHW
A
Solar collector
B
Solar station with solar circuit pump
C
Thermostatic water mixer
D
Plate heat exchanger
F
Secondary pump
G
Charging valve, buffer cylinder front/back
H
Boiler
Control unit
(cont.)
PYROT
21
5822 516 GB
3

Table of Contents