EasyManua.ls Logo

LeeBoy 8515D - Screed Frame Sloping - Electric

LeeBoy 8515D
398 pages
Print Icon
To Next Page IconTo Next Page
To Next Page IconTo Next Page
To Previous Page IconTo Previous Page
To Previous Page IconTo Previous Page
Loading...
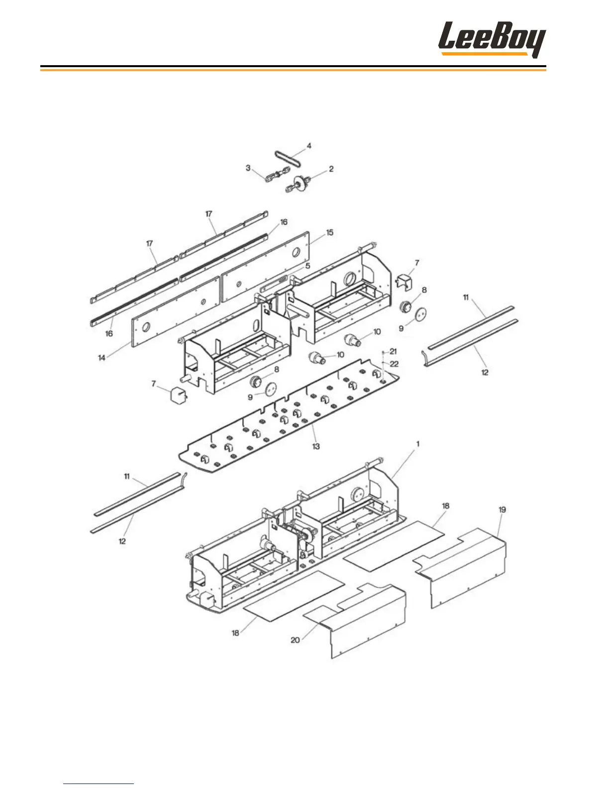
Illustrated Parts List
LeeBoy Model 8515D Conveyor Paver7-66
Screed Frame Sloping - Electric
Figure 7-28 Screed Frame Sloping - Electric

Table of Contents

Related product manuals