EasyManua.ls Logo

LeeBoy 8515D - 815 HD Series Screed 8515 Sloping Overview

LeeBoy 8515D
398 pages
Print Icon
To Next Page IconTo Next Page
To Next Page IconTo Next Page
To Previous Page IconTo Previous Page
To Previous Page IconTo Previous Page
Loading...
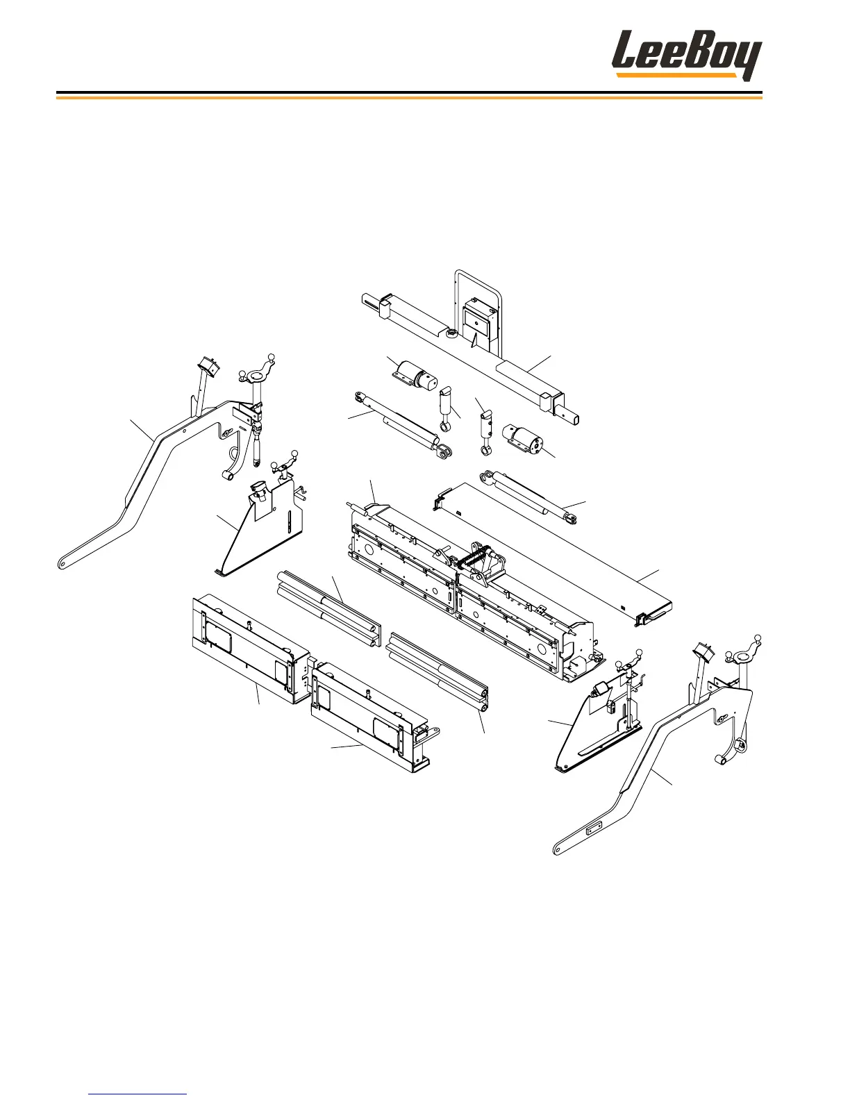
Illustrated Parts List
LeeBoy Model 8515D Conveyor Paver7-108
815HD Series Screed 8515 Sloping Overview
Figure 7-49 815HD Series Screed - 8515 Sloping Figure List
1
2
3
4
10
6
7
16
17
8
11
9
12
13
5
14
15

Table of Contents

Related product manuals