EasyManua.ls Logo

LeeBoy 8515D - 815 HD Series Screed Frame Non-Sloping

LeeBoy 8515D
398 pages
Print Icon
To Next Page IconTo Next Page
To Next Page IconTo Next Page
To Previous Page IconTo Previous Page
To Previous Page IconTo Previous Page
Loading...
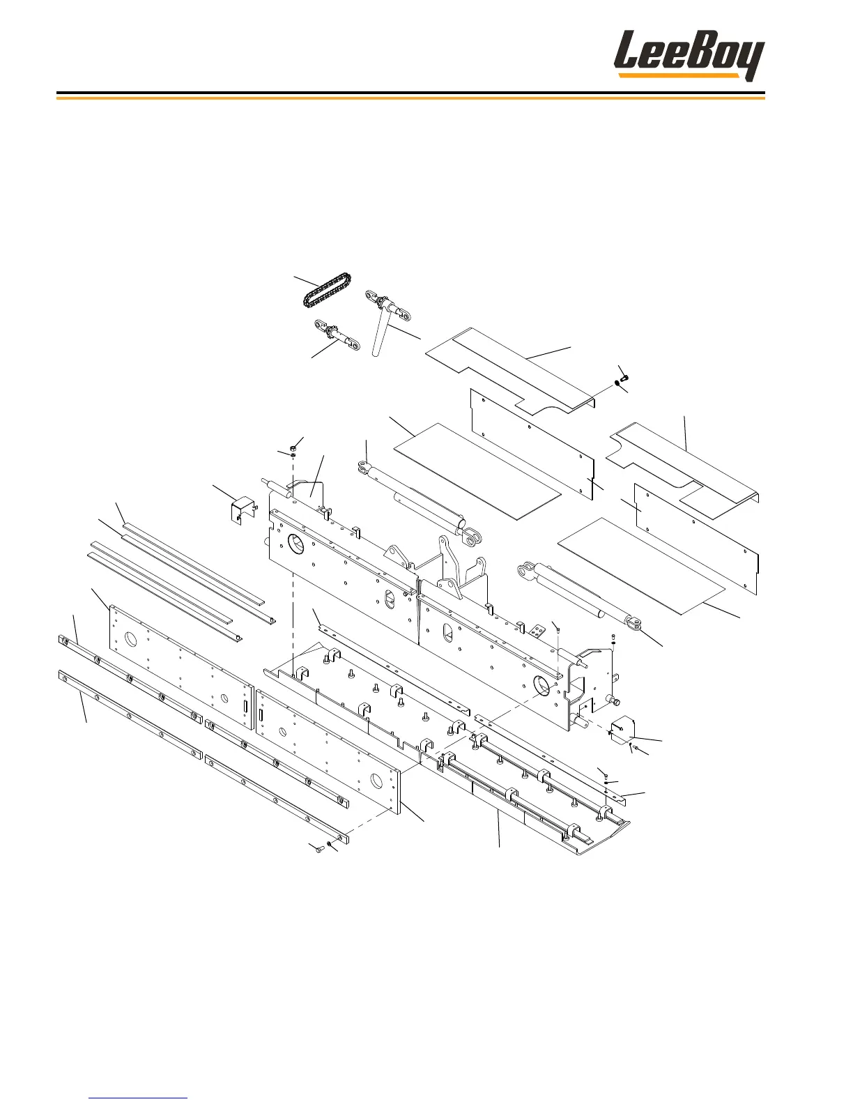
Illustrated Parts List
LeeBoy Model 8515D Conveyor Paver7-114
815HD Series Screed Frame Non-Sloping
22
2021
21
25
22
24
21
23
15
16
17
14
26
27
14
3
2
19
5
8
9
10
18
1
5
8
6
7
11
12
13
4
Figure 7-52 815HD Series Screed Non-Sloping

Table of Contents

Related product manuals