EasyManua.ls Logo

LeeBoy L600 - OPTION - Valve Switch Actuator Harness

LeeBoy L600
166 pages
Print Icon
To Next Page IconTo Next Page
To Next Page IconTo Next Page
To Previous Page IconTo Previous Page
To Previous Page IconTo Previous Page
Loading...
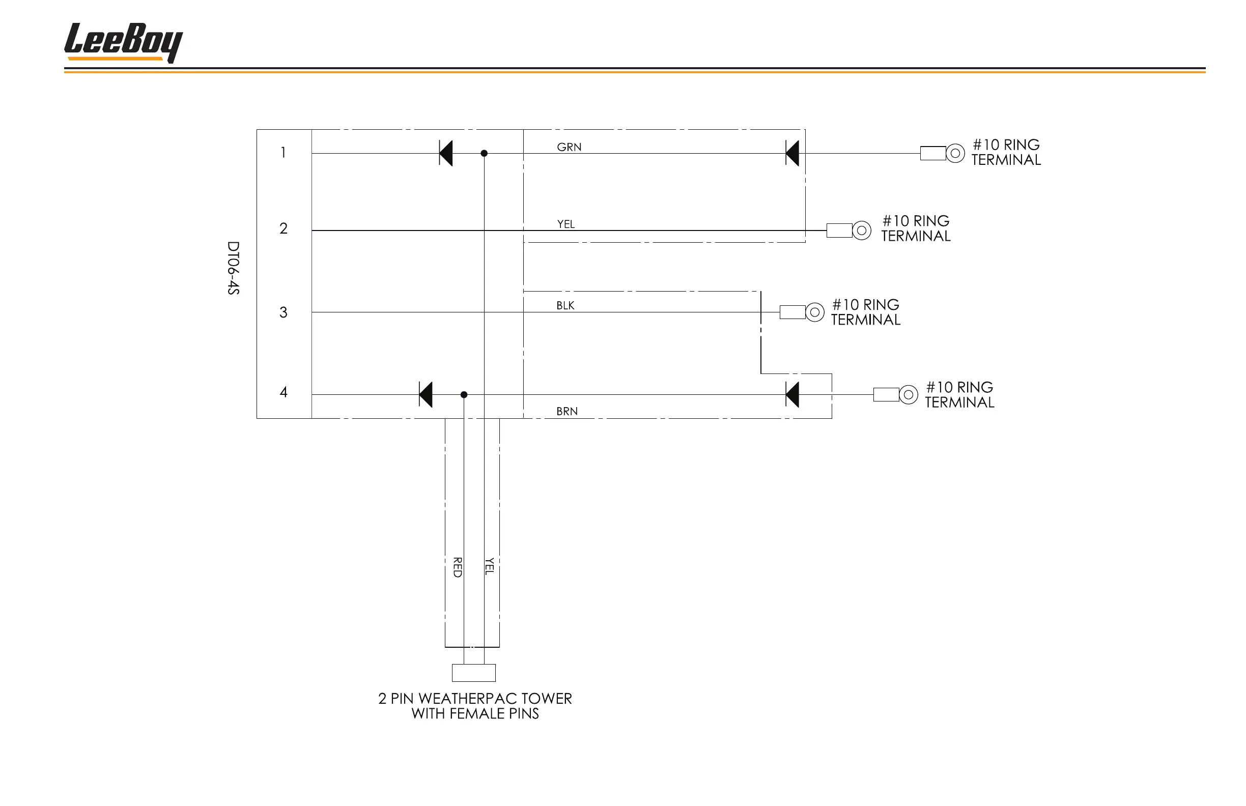
OPTION - VALVE SWITCH ACTUATOR HARNESS
Schematic for Part # 1019743Schematic for Part # 1019743
Figure 6-3. OPTION - Valve Switch Actuator Harness
A
B
L300 and L600 Tack Distributor 6-7
Schematics

Table of Contents

Related product manuals