EasyManua.ls Logo

Mitsubishi FX3UC Series - Page 154

Mitsubishi FX3UC Series
458 pages
Print Icon
To Next Page IconTo Next Page
To Next Page IconTo Next Page
To Previous Page IconTo Previous Page
To Previous Page IconTo Previous Page
Loading...
148
FX3UC Series Programmable Controllers
User’s Manual - Hardware Edition
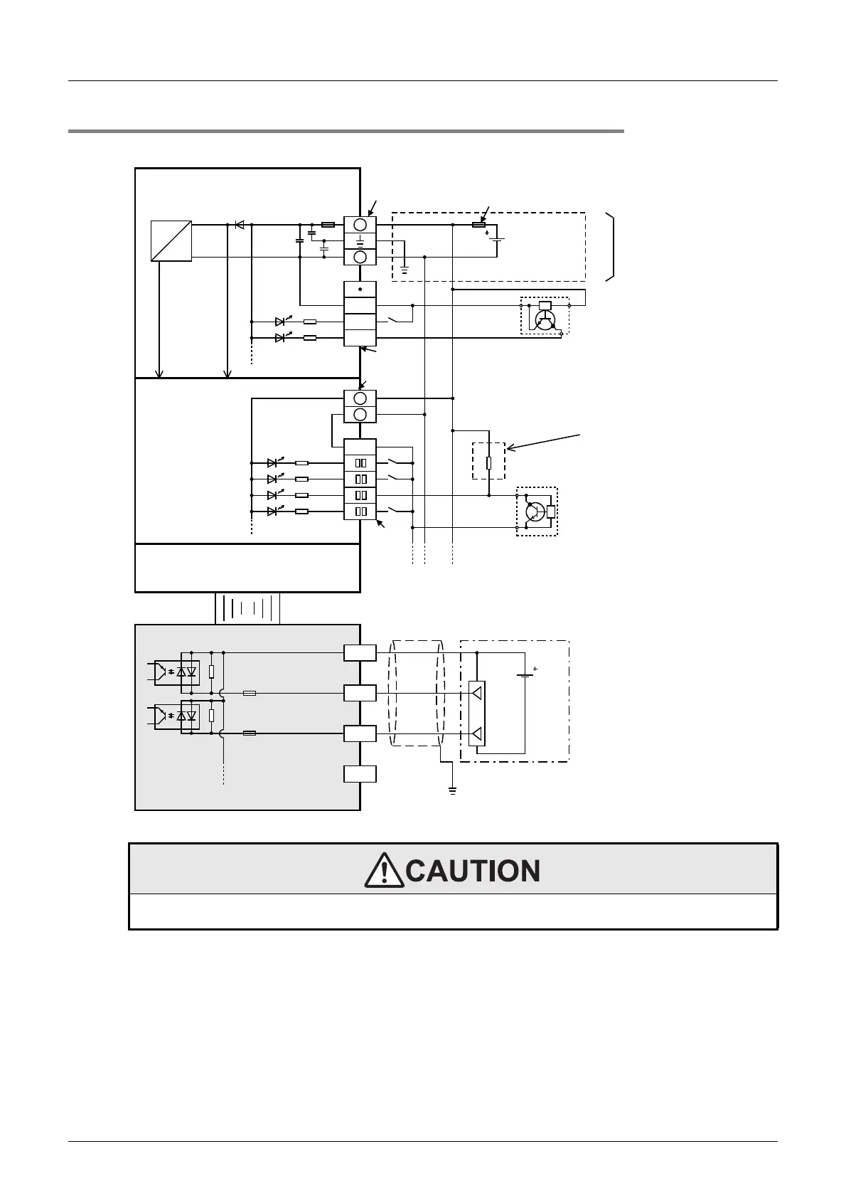
5 Input Specifications and External wiring
5.3 5V Input [FX2N-16EXL-C]
5.3.3 Example of external wiring
Use shielded wires for wiring the 5V DC.
WIRING PRECAUTIONS
Before cleaning or retightening terminals cut off all phases of the power supply externally.
Failure to do so may cause electric shock.
FX
3UC
-32MT/D
+
-
COM
X000
X001
Input
impedance
5V 24V
FX
2NC
extension block
(Dedicated to sink
input types only)
COM
X
0
X
1
X
2
X
3
+
-
FX
2NC
-CNV-IF
24V DC
Input
terminal
*
DC/DC
converter
DC
DC
X000
FX
2N
-16EXL-C
5+
2.2k
Input impedance
X007
TTL
External unit
X001
Input
terminal
5V DC
* Class D grounding
The grounding resistance should be
100
or less.
*
Power
connector
Power
connector
Fuse
Three-
wire
sensor
Two-wire
proximity
sensor
Photocoupler
Photocoupler
Photo-
coupler
4.3(k
)
2.2k
Input impedance
For an input device having a
parallel resistance or a
two-wire proximity switch, a
bleeder resistance may be
required.
(Refer to Subsection 5.2.4.)
Handle the power supply
circuit correctly in
accordance with Chapter
4 "Power supply
specifications and
external wiring."

Table of Contents

Other manuals for Mitsubishi FX3UC Series

Related product manuals