EasyManua.ls Logo

Mitsubishi FX3UC Series - Page 196

Mitsubishi FX3UC Series
458 pages
Print Icon
To Next Page IconTo Next Page
To Next Page IconTo Next Page
To Previous Page IconTo Previous Page
To Previous Page IconTo Previous Page
Loading...
190
FX3UC Series Programmable Controllers
User’s Manual - Hardware Edition
7 Examples of Wiring for Various Uses
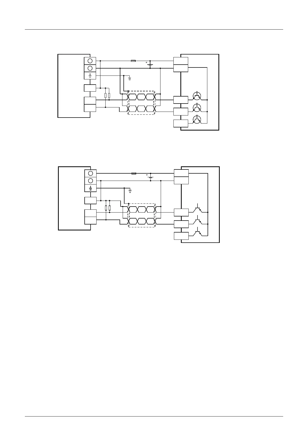
7.2 Rotary Encoder [High-speed Counters C235 to C255]
2) In case of the FX3UC-MT/DSS [Sink input wiring]
2. PNP open collector transistor output rotary encoder
FX3UC-MT/DSS [Source input wiring]
PLC
Rotary encoder
Fuse
24V DC
1.5
k
Class D
grounding*
X001
COM0
+
-
X000
1.5
k
* The grounding resistance should be 100
or less.
0V
24V
Phase A
Phase B
Phase Z
PLC
Rotary encoder
Fuse
24V DC
Class D
grounding*
X001
COM0
+
-
X000
* The grounding resistance should be 100
or less.
1.5
k
1.5
k
0V
24V
Phase A
Phase B
Phase Z

Table of Contents

Other manuals for Mitsubishi FX3UC Series

Related product manuals