EasyManua.ls Logo

MR MSENSE DGA 9 - 8. RS 485 Wiring; 8.1 RS485; 8.2 Termination, working point setting, earthing and protection of the RS485 bus

MR MSENSE DGA 9
143 pages
Print Icon
To Next Page IconTo Next Page
To Next Page IconTo Next Page
To Previous Page IconTo Previous Page
To Previous Page IconTo Previous Page
Loading...
MSENSE
®
DGA 9 7045899/02 EN 11.2020 Page 129
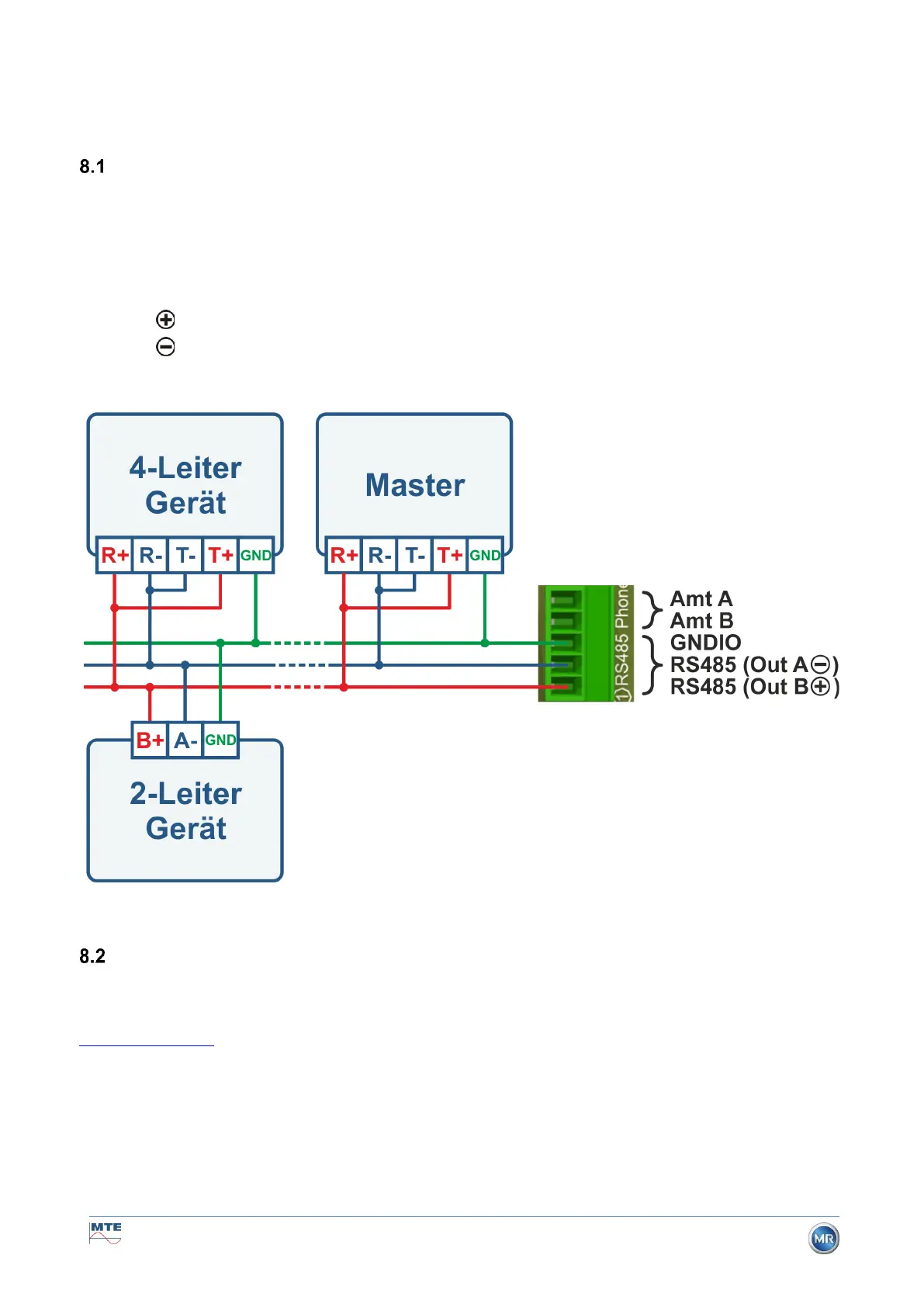
8. RS 485 Wiring
This chapter focuses on the wiring of the RS485 connection.
RS485
The RS485 interface, which is integrated in the MSENSE
®
DGA 9 is designed as a 3-conductor inter-
face. The 3 conductors are fitted to the terminal clamps KL302 (RS485 Phone) at pin 1, 2 and 3, which
are located on the measuring and controller card inside the MSENSE
®
DGA 9.
Remark: Heed polarity!!
1) OUT B RS485
2) OUT A RS485
3) GNDIO Earth without screen
Termination, working point setting, earthing and protection of the RS485 bus
The description of termination, working point setting, earthing and protection of the RS485 bus is com-
plex and would breach the scope of this manual. Detailed and useful information can be found under
www.bb-elec.com (see chapter “Technical information”).

Table of Contents

Related product manuals