EasyManua.ls Logo

OEM FX - Abschnitt.....................................................3; Elektrischer Schaltplan; Eine Geschwindigkeit

OEM FX
Print Icon
To Next Page IconTo Next Page
To Next Page IconTo Next Page
To Previous Page IconTo Previous Page
To Previous Page IconTo Previous Page
Loading...
FX / RVE
D - 23
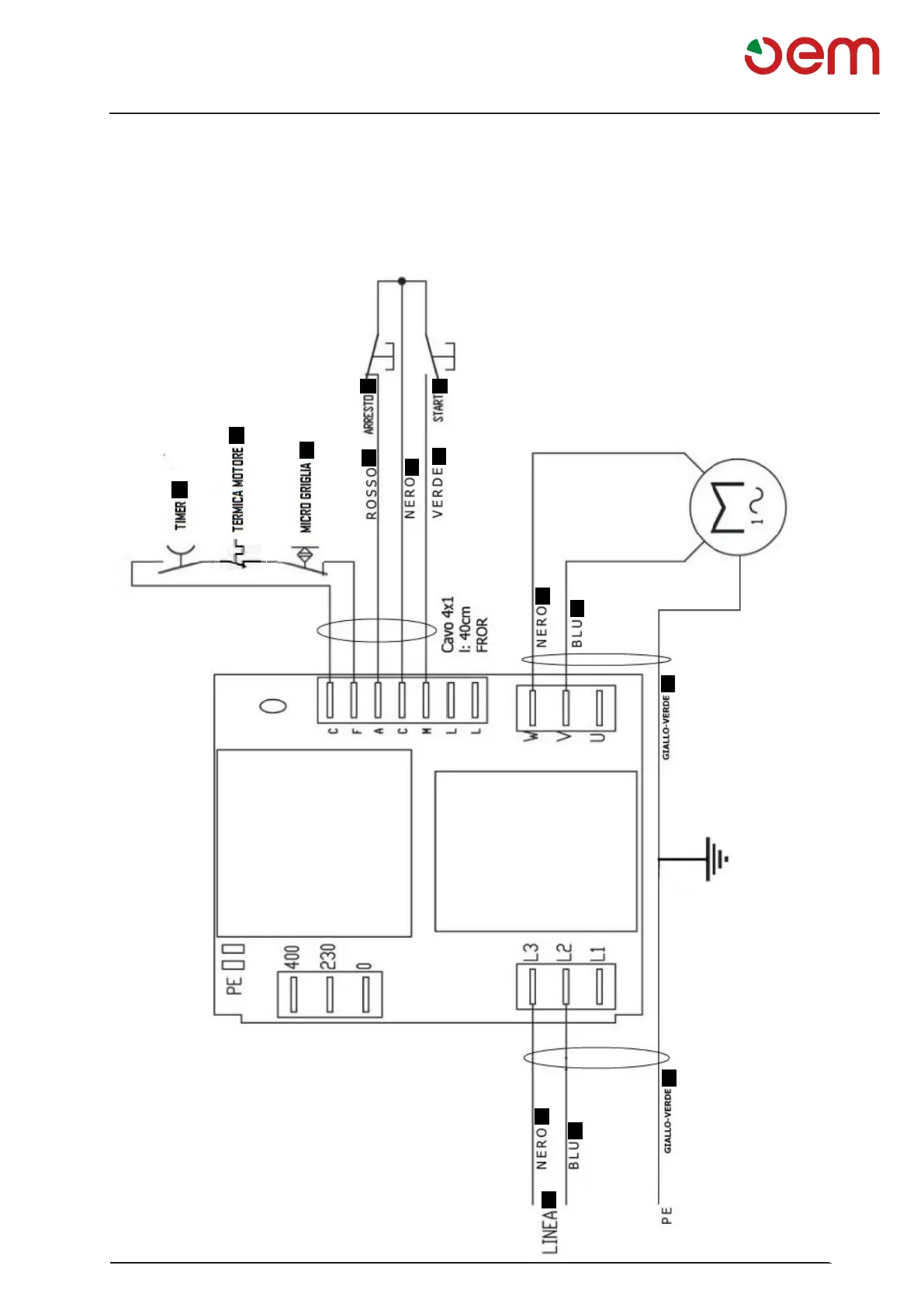
Elektrischer schaltplan
1
2
3
4
5
a
6
b
c
b
d
b
d
e
e
SCHALTPLAN - TEIGKNETMASCHINE EINPHASIG EINE GESCHWINDIGKEIT'
1 = TIMER
2= WÄRMESCHUTZSCHALTER MOTOR
3= MIKROSCHALTER SCHUTZGITTER
4= HALT
5= START
6= LINIE
a= Rot
b= Schwarz
c= Grün
d= Blau
e= Gelb-Grün

Table of Contents