EasyManua.ls Logo

OEM FX - Capitolo.......................................................3; Schema Elettrico; Impastatrice Monofase una Velocitá

OEM FX
Print Icon
To Next Page IconTo Next Page
To Next Page IconTo Next Page
To Previous Page IconTo Previous Page
To Previous Page IconTo Previous Page
Loading...
FX / RVE
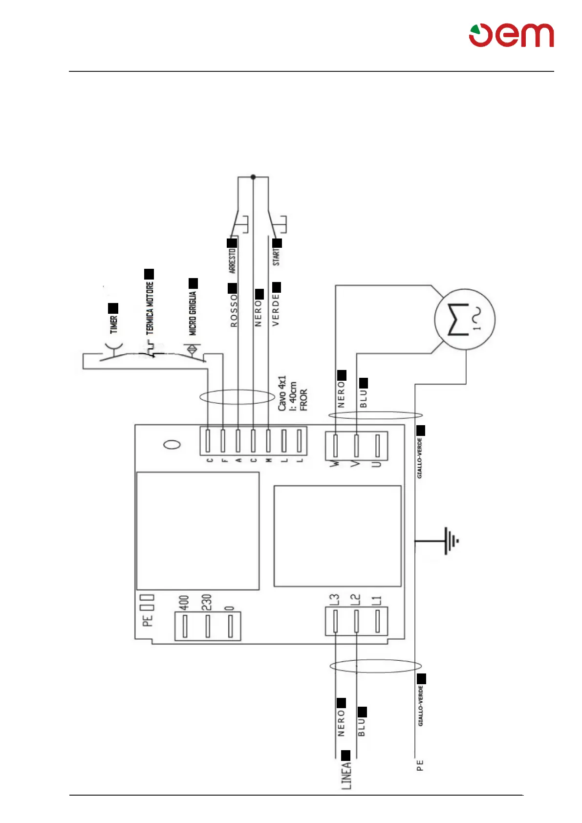
Schema elettrico
I - 23
1
2
3
4
5
a
6
b
c
b
d
b
d
e
e
SCHEMAELETTRICO-IMPASTATRICEMONOFASEUNAVELOCITA'
1 = TIMER
2= TERMICA MOTORE
3= MICRO GRIGLIA
4= ARRESTO
5= START
6= LINEA
a= Rosso
b= Nero
c= Verde
d= Blu
e= Giallo-Verde

Table of Contents