EasyManua.ls Logo

OEM FX - Wiring Diagram - One-Speed Single-Phase Kneading Machine

OEM FX
Print Icon
To Next Page IconTo Next Page
To Next Page IconTo Next Page
To Previous Page IconTo Previous Page
To Previous Page IconTo Previous Page
Loading...
FX / RVE
Wiring diagram
EN - 23
1
2
3
4
5
a
6
b
c
b
d
b
d
e
e
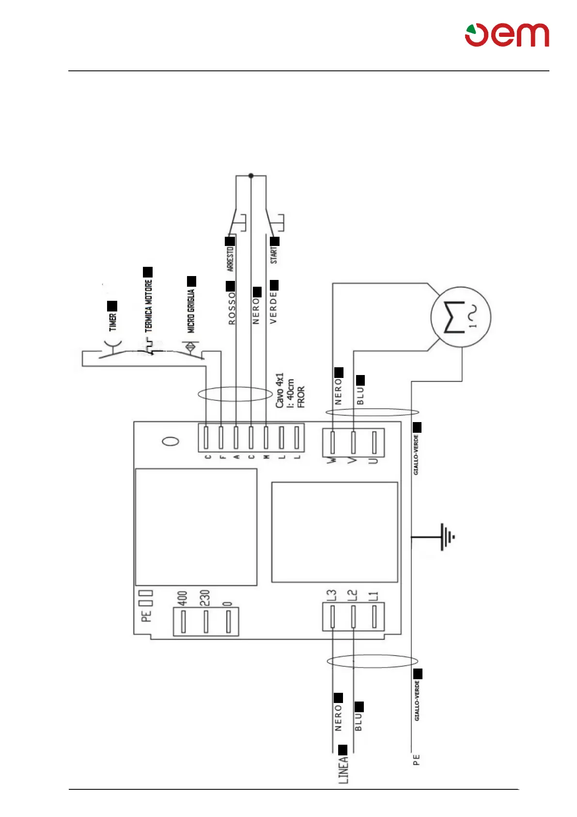
WIRING DIAGRAM - ONE-SPEED SINGLE-PHASE KNEADING MACHINE
1 = TIMER
2 = MOTOR THERMAL SWITCH
3 = GRID MICROSWITCH
4 = STOP
5 = START
6 = LINE
a = Red
b = Black
c = Green
d = Blue
e = Yellow-green

Table of Contents