EasyManua.ls Logo

OEM FX - Impastatrice Trifase una Velocitá

OEM FX
Print Icon
To Next Page IconTo Next Page
To Next Page IconTo Next Page
To Previous Page IconTo Previous Page
To Previous Page IconTo Previous Page
Loading...
FX / RVE
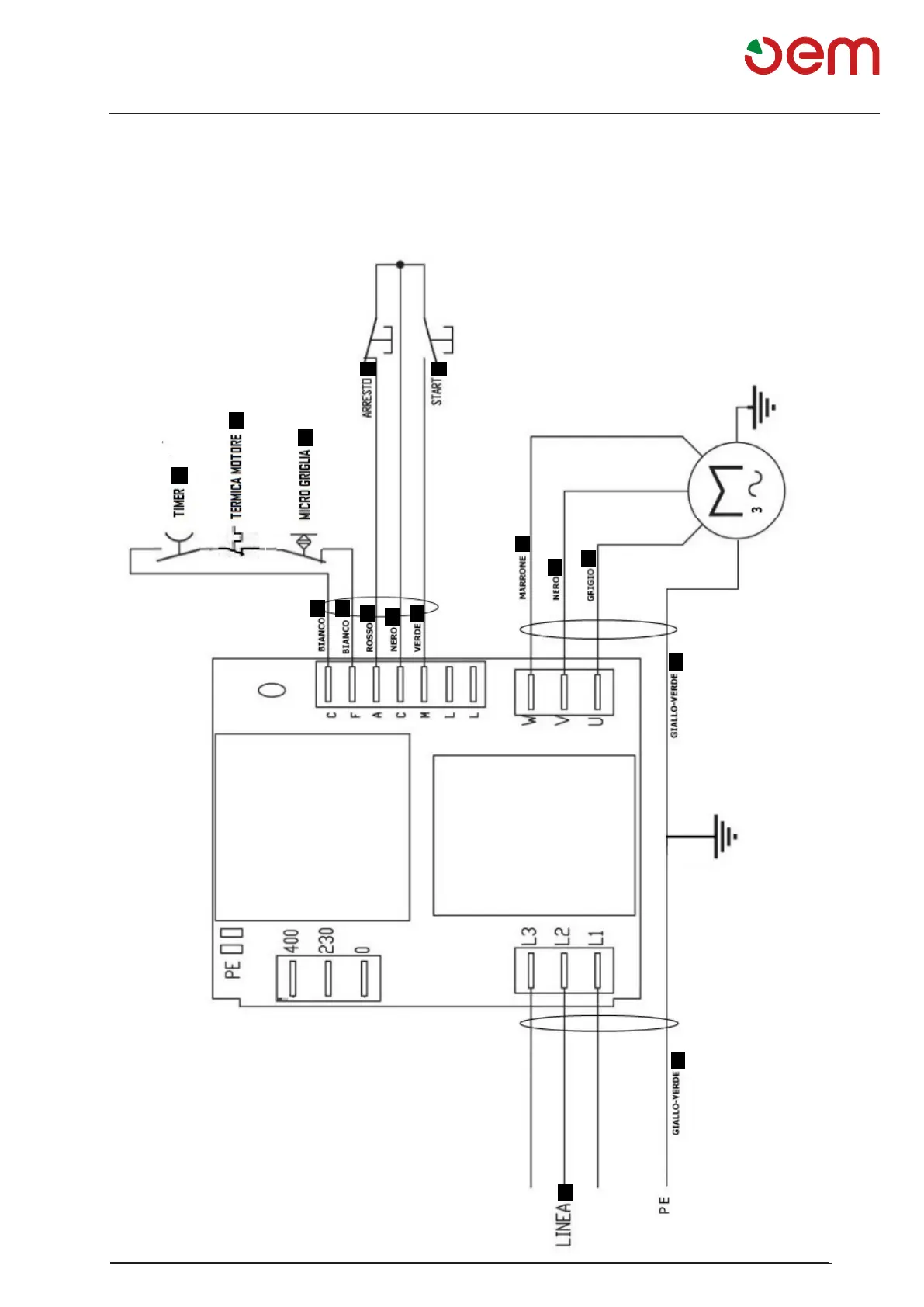
Schema elettrico
I - 25
1
2
3
4
5
a
6
b
c
b
d
e
e
d
f
g
SCHEMAELETTRICO-IMPASTATRICETRIFASEUNAVELOCITA'
1 = TIMER
2= TERMICA MOTORE
3= MICRO GRIGLIA
4= ARRESTO
5= START
6= LINEA
a= Rosso
b= Nero
c= Verde
d= Bianco
e= Giallo-Verde
f= Marrone
g= Grigio

Table of Contents