EasyManua.ls Logo

OEM FX - Amassadeira Trifásica Duas Velocidades

OEM FX
Print Icon
To Next Page IconTo Next Page
To Next Page IconTo Next Page
To Previous Page IconTo Previous Page
To Previous Page IconTo Previous Page
Loading...
FX / RVE
Esquema eléctricos
E - 26
1
2
3
4
5
a
6
b
c
d
e
e
7
8
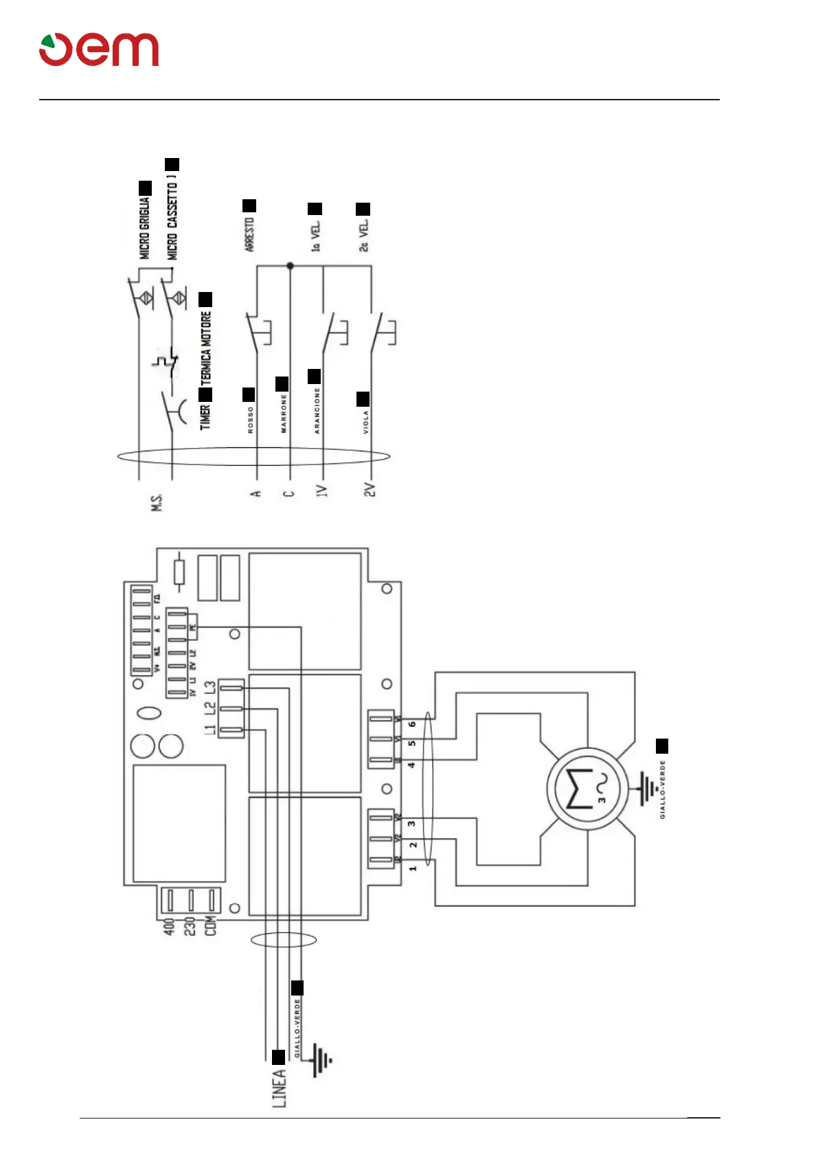
ESQUEMA ELÉCTRICO – AMASSADEIRA TRIFÁSICA DUAS VELOCIDADES
1 = TIMER
2= TÉRMICA MOTOR
3= MICRO GRELHA
4= PARAGEM
5= MICRO GAVETA
6= LINHA
7= 1.ª VELOCIDADE
8= 2.ª VELOCIDADE
a= Vermelho
b= Castanho
c= Laranja
d= Violeta
e= Amarelo-Verde

Table of Contents