EasyManua.ls Logo

OEM FX - Pétrin Triphasé À Une Vitesse

OEM FX
Print Icon
To Next Page IconTo Next Page
To Next Page IconTo Next Page
To Previous Page IconTo Previous Page
To Previous Page IconTo Previous Page
Loading...
FX / RVE
F - 25
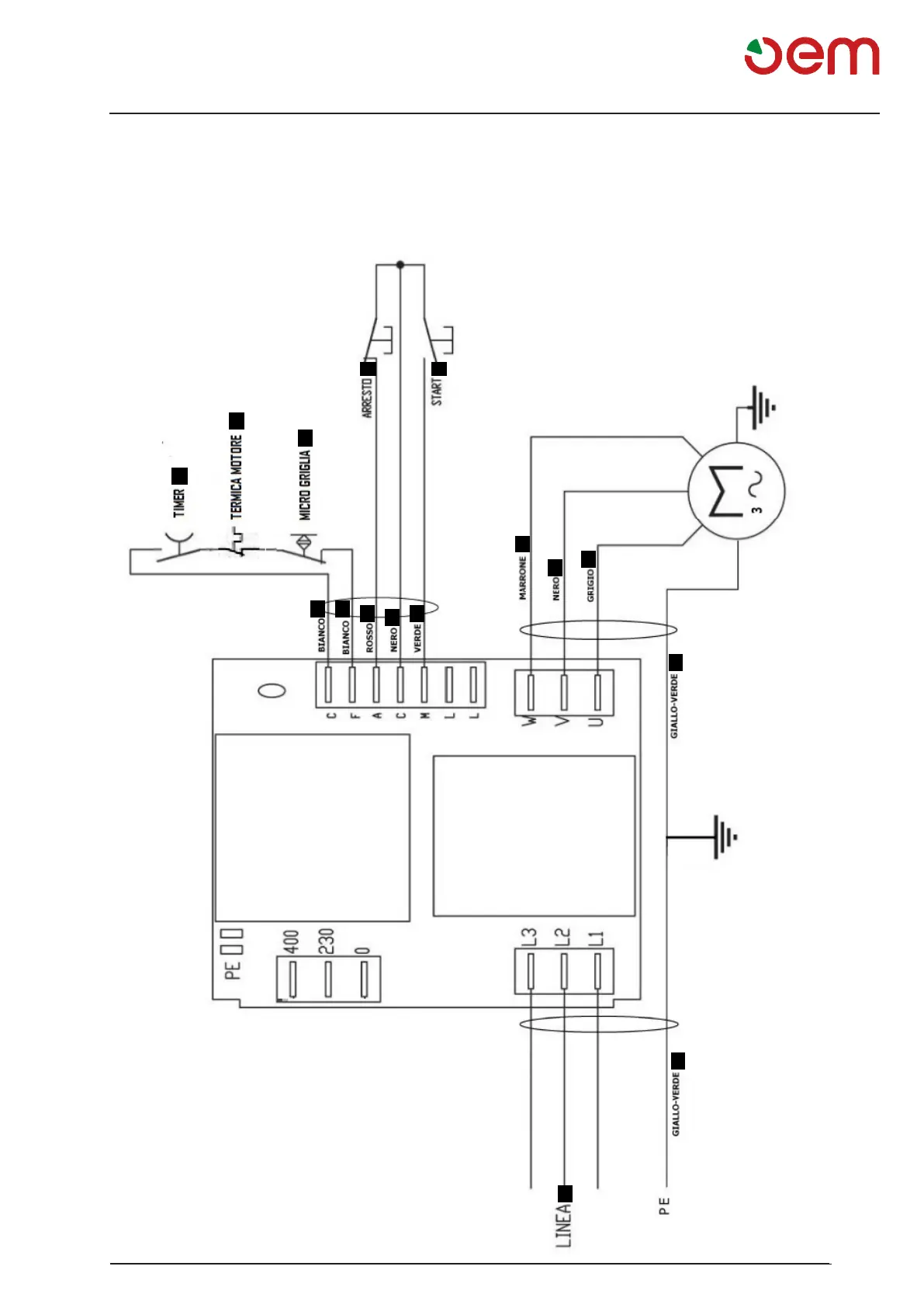
Schema eletrique
1
2
3
4
5
a
6
b
c
b
d
e
e
d
f
g
SCHÉMA ÉLECTRIQUE - PÉTRIN TRIPHASÉ À UNE VITESSE
1 = TEMPORISATEUR
2= PROTECTION THERMIQUE MOTEUR
3= MICRORUPTEUR GRILLE
4= ARRÊT
5= MARCHE
6= LIGNE
a= Rouge
b= Noir
c= Vert
d= Blanc
e= Jaune-Vert
f= Marron
g= Gris

Table of Contents