EasyManua.ls Logo

OEM FX - Capítulo.......................................................3; Esquema Eléctrico Amasadora Monofásica una Velocidad

OEM FX
Print Icon
To Next Page IconTo Next Page
To Next Page IconTo Next Page
To Previous Page IconTo Previous Page
To Previous Page IconTo Previous Page
Loading...
FX / RVE
Esquema electrico
E - 23
1
2
3
4
5
a
6
b
c
b
d
b
d
e
e
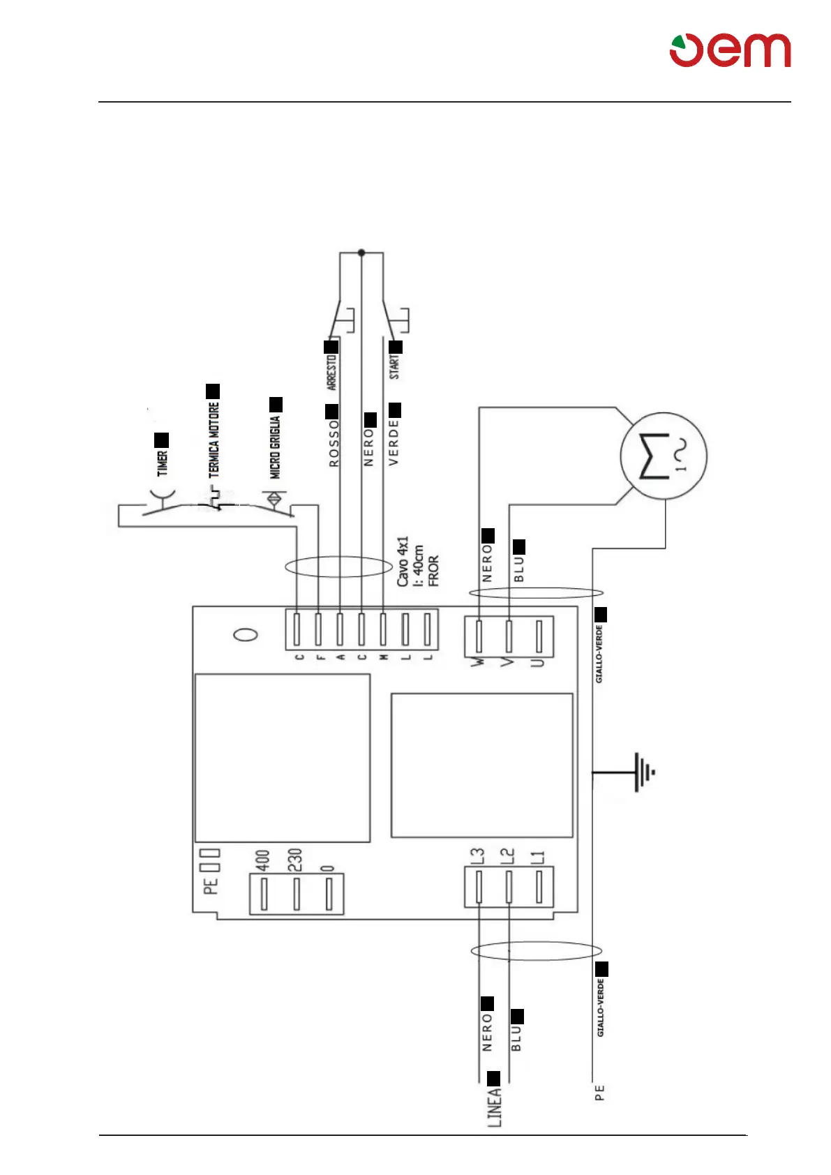
ESQUEMA ELÉCTRICO - AMASADORA MONOFÁSICA UNA VELOCIDAD
1 = TEMPORIZADOR
2= TÉRMICO MOTOR
3= MICRO REJILLA
4= PARADA
5= START
6= LÍNEA
a= Rojo
b= Negro
c= Verde
d= Azul
e= Amarillo-Verde

Table of Contents