EasyManua.ls Logo

OEM FX - Amasadora Trifásica una Velocidad

OEM FX
Print Icon
To Next Page IconTo Next Page
To Next Page IconTo Next Page
To Previous Page IconTo Previous Page
To Previous Page IconTo Previous Page
Loading...
FX / RVE
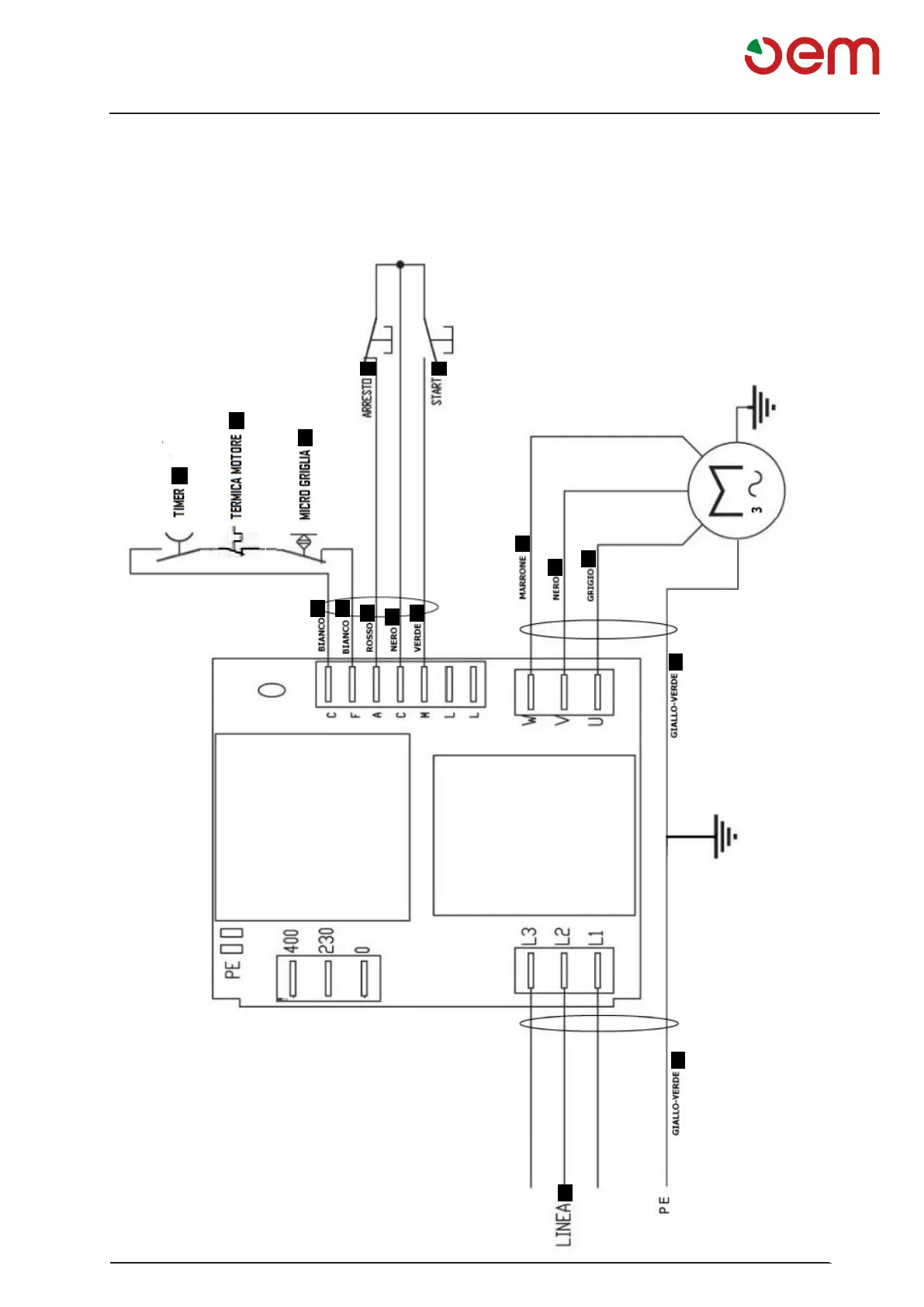
Esquema electrico
E - 25
1
2
3
4
5
a
6
b
c
b
d
e
e
d
f
g
ESQUEMA ELÉCTRICO - AMASADORA TRIFÁSICA UNA VELOCIDAD
1 = TEMPORIZADOR
2= TÉRMICO MOTOR
3= MICRO REJILLA
4= PARADA
5= START
6= LÍNEA
a= Rojo
b= Negro
c= Verde
d= Blanco
e= Amarillo-Verde
f= Marrón
g= Gris

Table of Contents