EasyManua.ls Logo

OEM FX - Amasadora Trifásica Dos Velocidades

OEM FX
Print Icon
To Next Page IconTo Next Page
To Next Page IconTo Next Page
To Previous Page IconTo Previous Page
To Previous Page IconTo Previous Page
Loading...
FX / RVE
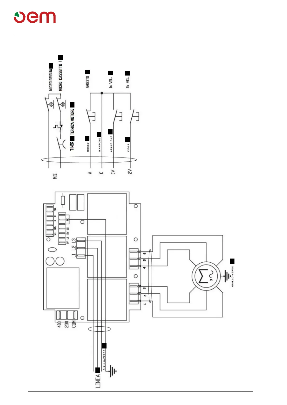
Esquema electrico
E - 26
1
2
3
4
5
a
6
b
c
d
e
e
7
8
ESQUEMA ELÉCTRICO - AMASADORA TRIFÁSICA DOS VELOCIDADES
1 = TEMPORIZADOR
2= TÉRMICO MOTOR
3= MICRO REJILLA
4= PARADA
5= MICRO CAJÓN
6= LÍNEA
7= 1° VELOCIDAD
8= 2° VELOCIDAD
a= Rojo
b= Marrón
c= Naranja
d= Violeta
e= Amarillo-Verde

Table of Contents