EasyManua.ls Logo

OEM FX - Teigknetmaschine Dreiphasig Zwei Geschwindigkeiten

OEM FX
Print Icon
To Next Page IconTo Next Page
To Next Page IconTo Next Page
To Previous Page IconTo Previous Page
To Previous Page IconTo Previous Page
Loading...
FX / RVE
D - 26
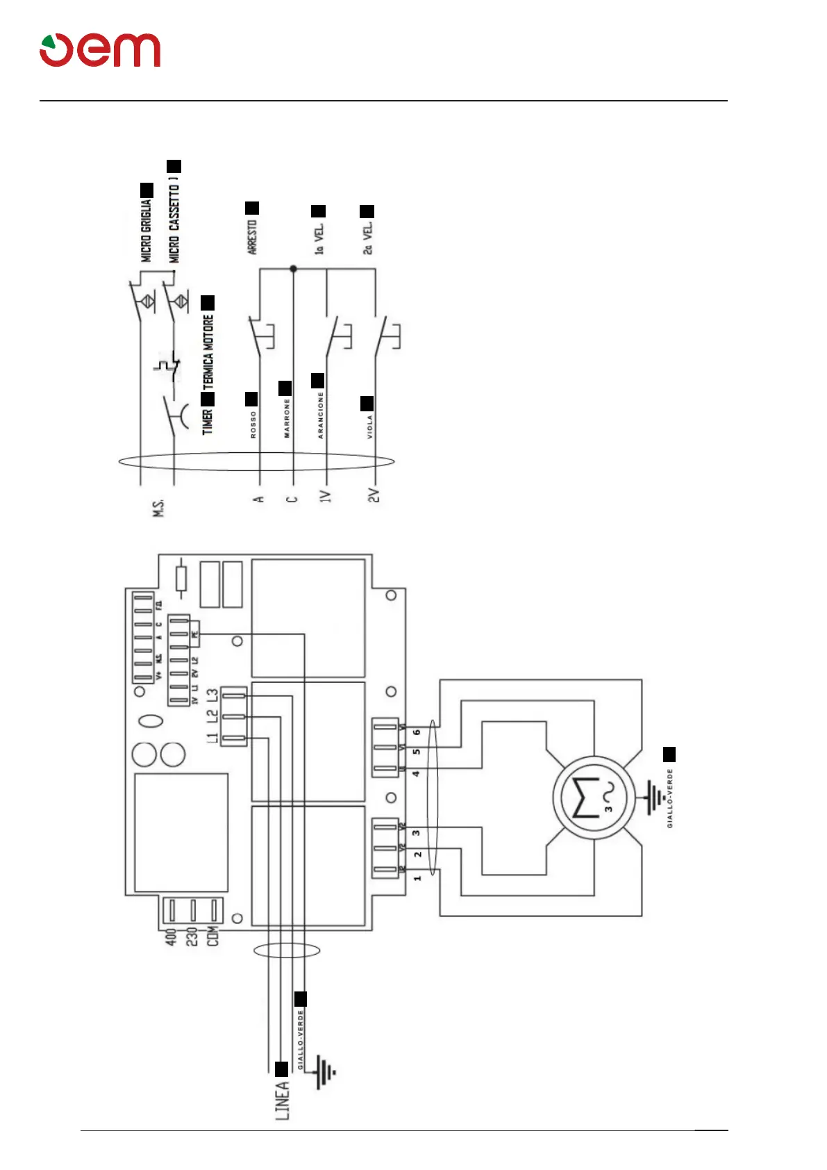
Elektrischer schaltplan
1
2
3
4
5
a
6
b
c
d
e
e
7
8
SCHALTPLAN - TEIGKNETMASCHINE DREIPHASIG ZWEI GESCHWINDIGKEITEN
1 = TIMER
2= WÄRMESCHUTZSCHALTER MOTOR
3= MIKROSCHALTER SCHUTZGITTER
4= HALT
5= MIKROSCHALTER SCHUTZKASTEN
6= LINIE
7= 1. GESCHWINDIGKEIT
8= 2. GESCHWINDIGKEIT
a= Rot
b= Braun
c= Orange
d= Violett
e= Gelb-Grün

Table of Contents