EasyManua.ls Logo

OEM FX - Pétrin Triphasé À Deux Vitesses

OEM FX
Print Icon
To Next Page IconTo Next Page
To Next Page IconTo Next Page
To Previous Page IconTo Previous Page
To Previous Page IconTo Previous Page
Loading...
FX / RVE
F - 26
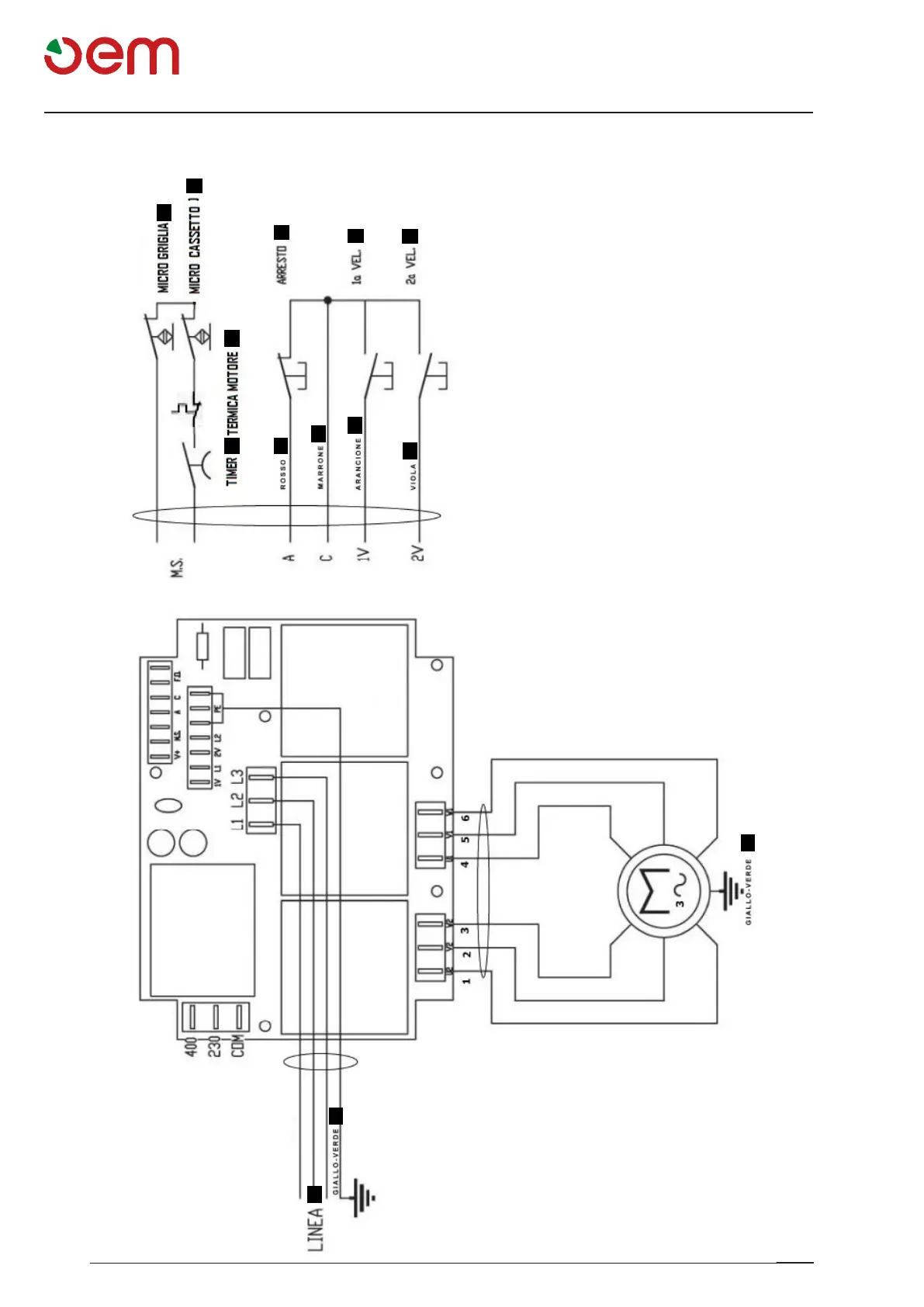
Schema eletrique
1
2
3
4
5
a
6
b
c
d
e
e
7
8
SCHÉMA ÉLECTRIQUE - PÉTRIN TRIPHASÉ À DEUX VITESSES
1 = TEMPORISATEUR
2= PROTECTION THERMIQUE MOTEUR
3= MICRORUPTEUR GRILLE
4= ARRÊT
5= MICRORUPTEUR TIROIR
6= LIGNE
7= 1re VITESSE
8= 2e VITESSE
a= Rouge
b= Marron
c= Orange
d= Violet
e= Jaune-Vert

Table of Contents