EasyManua.ls Logo

OEM FX - Teigknetmaschine Dreiphasig eine Geschwindigkeit

OEM FX
Print Icon
To Next Page IconTo Next Page
To Next Page IconTo Next Page
To Previous Page IconTo Previous Page
To Previous Page IconTo Previous Page
Loading...
FX / RVE
D - 25
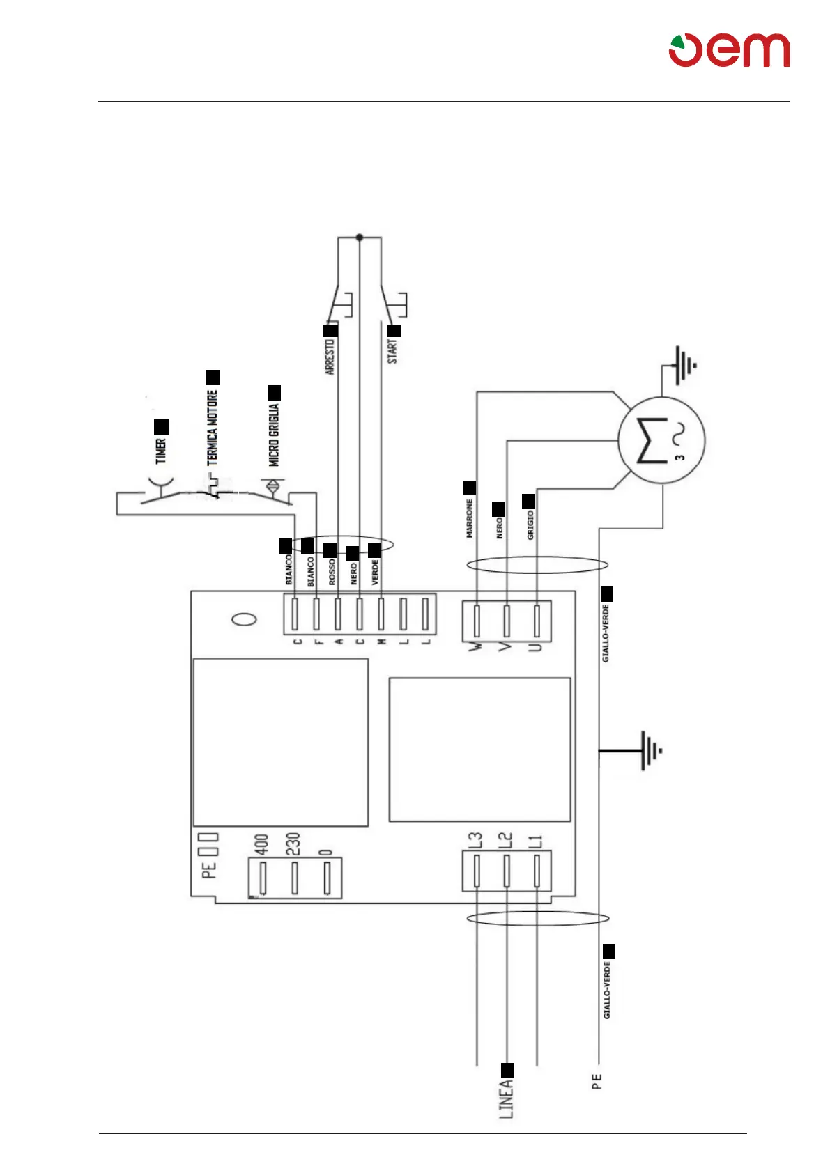
Elektrischer schaltplan
1
2
3
4
5
a
6
b
c
b
d
e
e
d
f
g
SCHALTPLAN - TEIGKNETMASCHINE DREIPHASIG EINE GESCHWINDIGKEIT
1 = TIMER
2= WÄRMESCHUTZSCHALTER MOTOR
3= MIKROSCHALTER SCHUTZGITTER
4= HALT
5= START
6= LINIE
a= Rot
b= Schwarz
c= Grün
d= Weiß
e= Gelb-Grün
f= Braun
g= Grau

Table of Contents