EasyManua.ls Logo

OEM FX - Wiring Diagram - Two-Speed Three-Phase Kneading Machine

OEM FX
Print Icon
To Next Page IconTo Next Page
To Next Page IconTo Next Page
To Previous Page IconTo Previous Page
To Previous Page IconTo Previous Page
Loading...
FX / RVE
Wiring diagram
EN - 26
1
2
3
4
5
a
6
b
c
d
e
e
7
8
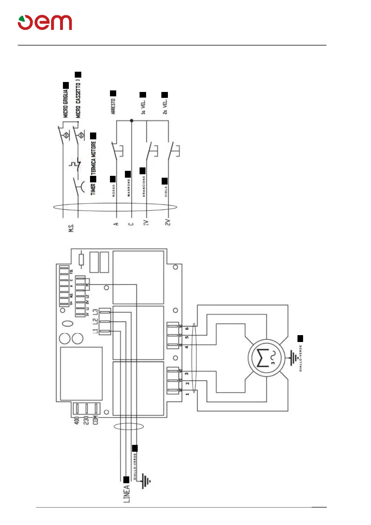
WIRING DIAGRAM - TWO-SPEED THREE-PHASE KNEADING MACHINE
1 = TIMER
2 = MOTOR THERMAL SWITCH
3 = GRID MICROSWITCH
4 = STOP
5 = DRAWER MICROSWITCH
6 = LINE
7 = 1st SPEED
8 = 2nd SPEED
a = Red
b = Brown
c = Orange
d = Violet
e = Yellow-green

Table of Contents