EasyManua.ls Logo

OEM FX - Capítulo.......................................................3; Esquema Eléctrico Amassadeira Monofásica Uma Velocidade

OEM FX
Print Icon
To Next Page IconTo Next Page
To Next Page IconTo Next Page
To Previous Page IconTo Previous Page
To Previous Page IconTo Previous Page
Loading...
FX / RVE
Esquema eléctricos
P - 23
1
2
3
4
5
a
6
b
c
b
d
b
d
e
e
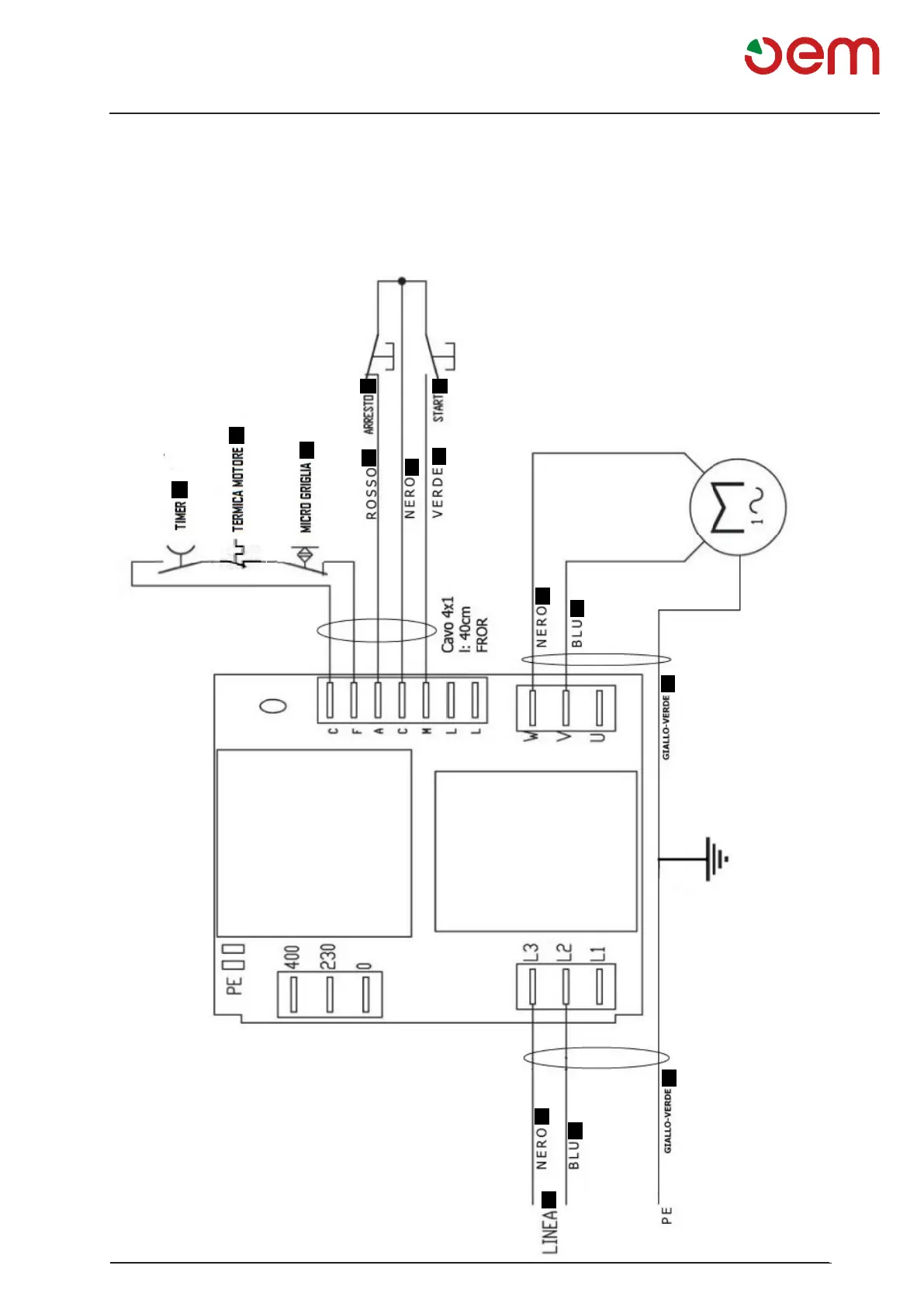
ESQUEMA ELÉCTRICO – AMASSADEIRA MONOFÁSICA UMA VELOCIDADE
1 = TIMER
2= TÉRMICA MOTOR
3= MICRO GRELHA
4= PARAGEM
5= ARRANQUE
6= LINHA
a= Vermelho
b= Preto
c= Verde
d= Azul
e= Amarelo-Verde

Table of Contents