EasyManua.ls Logo

OEM FX - Impastatrice Trifase Due Velocitá

OEM FX
Print Icon
To Next Page IconTo Next Page
To Next Page IconTo Next Page
To Previous Page IconTo Previous Page
To Previous Page IconTo Previous Page
Loading...
FX / RVE
Schema elettrico
I - 26
1
2
3
4
5
a
6
b
c
d
e
e
7
8
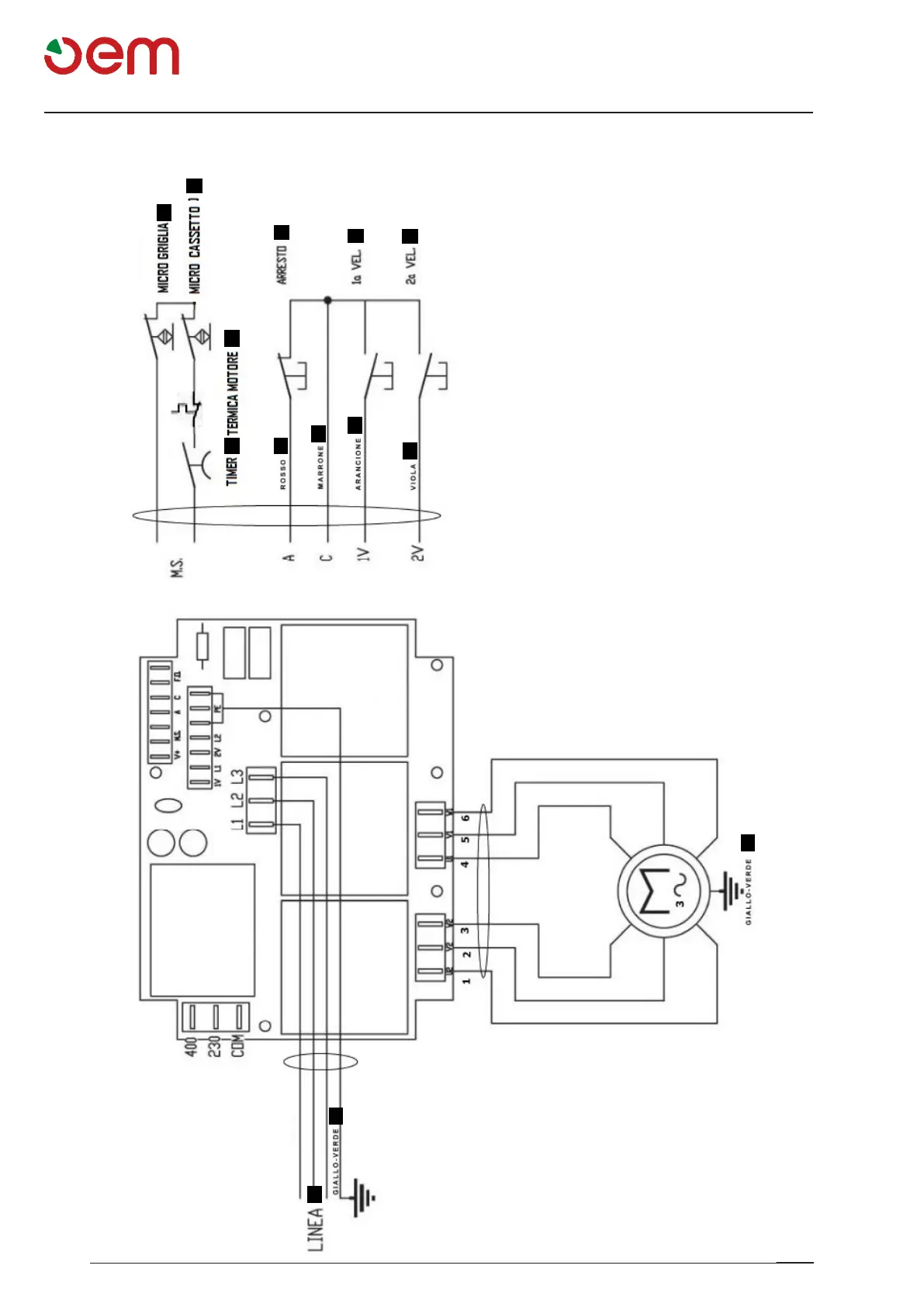
SCHEMAELETTRICO-IMPASTATRICETRIFASEDUEVELOCITA'
1 = TIMER
2= TERMICA MOTORE
3= MICRO GRIGLIA
4= ARRESTO
5= MICRO CASSETTO
6= LINEA
 
 
a= Rosso
b= Marrone
c= Arancione
d= Viola
e= Giallo-Verde

Table of Contents