EasyManua.ls Logo

OREC RM983 - Page 60

OREC RM983
70 pages
Print Icon
To Next Page IconTo Next Page
To Next Page IconTo Next Page
To Previous Page IconTo Previous Page
To Previous Page IconTo Previous Page
Loading...
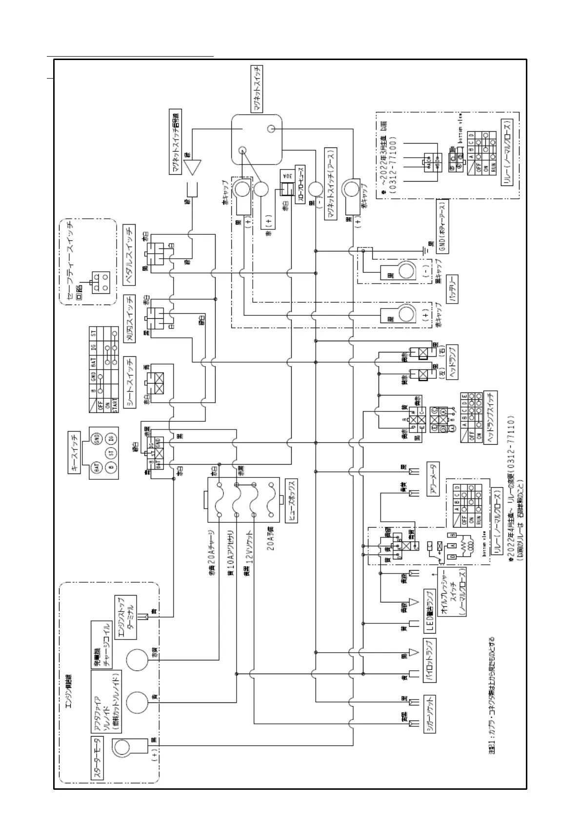
6. 付表
- 57 -
6.4 Electrical schematic

Table of Contents

Related product manuals