EasyManua.ls Logo

Panasonic DP-8020E - Laser Unit

Panasonic DP-8020E
498 pages
Print Icon
To Next Page IconTo Next Page
To Next Page IconTo Next Page
To Previous Page IconTo Previous Page
To Previous Page IconTo Previous Page
Loading...
314
SEP 2006
Ver. 1.0
DP-8020E/8020P/8016P
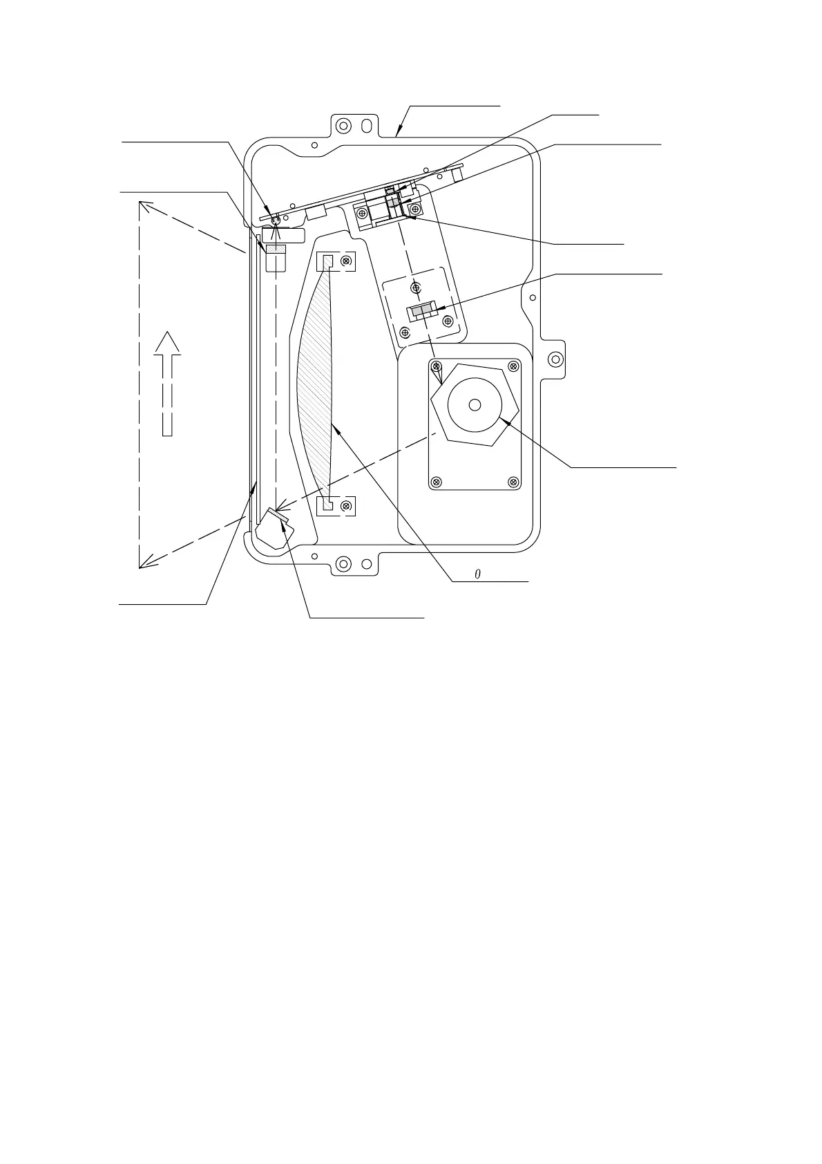
6.4.2. Laser Unit
1. Laser
This Laser uses the semiconductor laser. The beam power on the drum surface is approximately 0.4
mW.
2. Collimator Lens and Cylindrical Lens
These lenses converge and focuse the laser beam, converting it to parallel light.
3. Aperture
This controls the size of the laser beam.
4. Polygon Mirror and Polygon Motor
The polygon scanner consists of a 6-sided mirror, directly driven by a DC motor, revolving at 42,000
rpm. The laser beam is reflected against these mirrors and swept over the recorded width in the
scanning direction.
5. Beam Detection (BD) Lens and Beam Detection (BD) Sensor
The BD Lens receives the reflected light from the Polygon Mirror and redirects it into the BD Sensor,
which converts the laser beam into electrical signals and sets the start timing for the scanning line.
6. F-θ Lens
This amorphous plastic, molded lens is designed to provide parallel laser light across the surface of the
drum, providing a constant scanning speed.
7. Cover Glass
This prevents a particle of dust invading into the LSU.
Collimator Lens
Laser
Aperture
F
Lens
LSU Chassis
Cover Glass
Beam Detection
Sensor
Beam Detection
Reflection Mirror
Beam Detection
Lens
Cylindrical Lens
Polygon Mirror/
Polygon Motor

Table of Contents

Other manuals for Panasonic DP-8020E

Related product manuals