EasyManua.ls Logo

Polymetron 9210 - Section 3 Analyzer Overview; Operation

Polymetron 9210
104 pages
Print Icon
To Next Page IconTo Next Page
To Next Page IconTo Next Page
To Previous Page IconTo Previous Page
To Previous Page IconTo Previous Page
Loading...
13
Section 3 Analyzer Overview
3.1 Operation
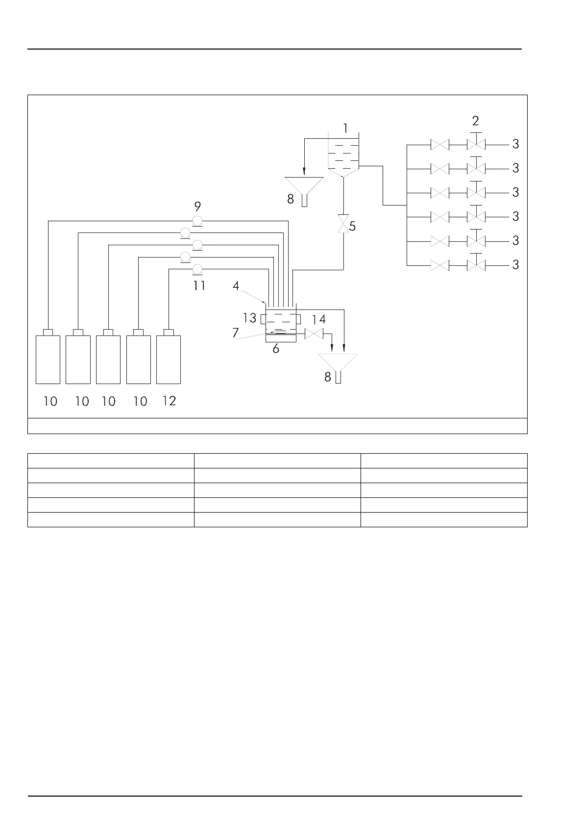
The 9210 can analyze up to six different samples. The sample to be analyzed circulates in a
fast loop permitting rapid renewal of the sample. Adjustment of the flow is carried out with the
help of a needle valve (2). At the beginning of the analysis, the sample is introduced into the
measuring cell (4) with the use of a solenoid valve (5).
The reagents R1M and R1A are first added using two of the reagent pumps (9). The silica
contained in the sample then reacts with the molybdate and forms the silicomolybdic complex.
The reaction will take up to 5 minutes.
Oxalic acid is then added using a reagent pump (9) to avoid phosphate interference and to
intensify the color.
The silicomolybdic complex is reduced to a blue molybdenum complex by means of ferrous
ions. A photometric measurement is carried out at the end of the reaction.
Figure 1 Working principal
1 - Overflow tank with level detector 6 - Mixing motor 11 - Calibration pump
2 - Flow adjustment valves (1 to 6) 7 - Magnetic bar 12 - Calibration solution canister
3 - Sample input (1 to 6) 8 - Drain 13 - Photometer
4 - Photometric measuring cell 9 - Reagent pumps (x4) 14 - Drain pump of measuring cell
5 - Measuring solenoid valve 10 - Reagent canisters (x4)

Table of Contents