EasyManua.ls Logo

Polymetron 9210 - Installing the Canister Holder

Polymetron 9210
104 pages
Print Icon
To Next Page IconTo Next Page
To Next Page IconTo Next Page
To Previous Page IconTo Previous Page
To Previous Page IconTo Previous Page
Loading...
20
Installation
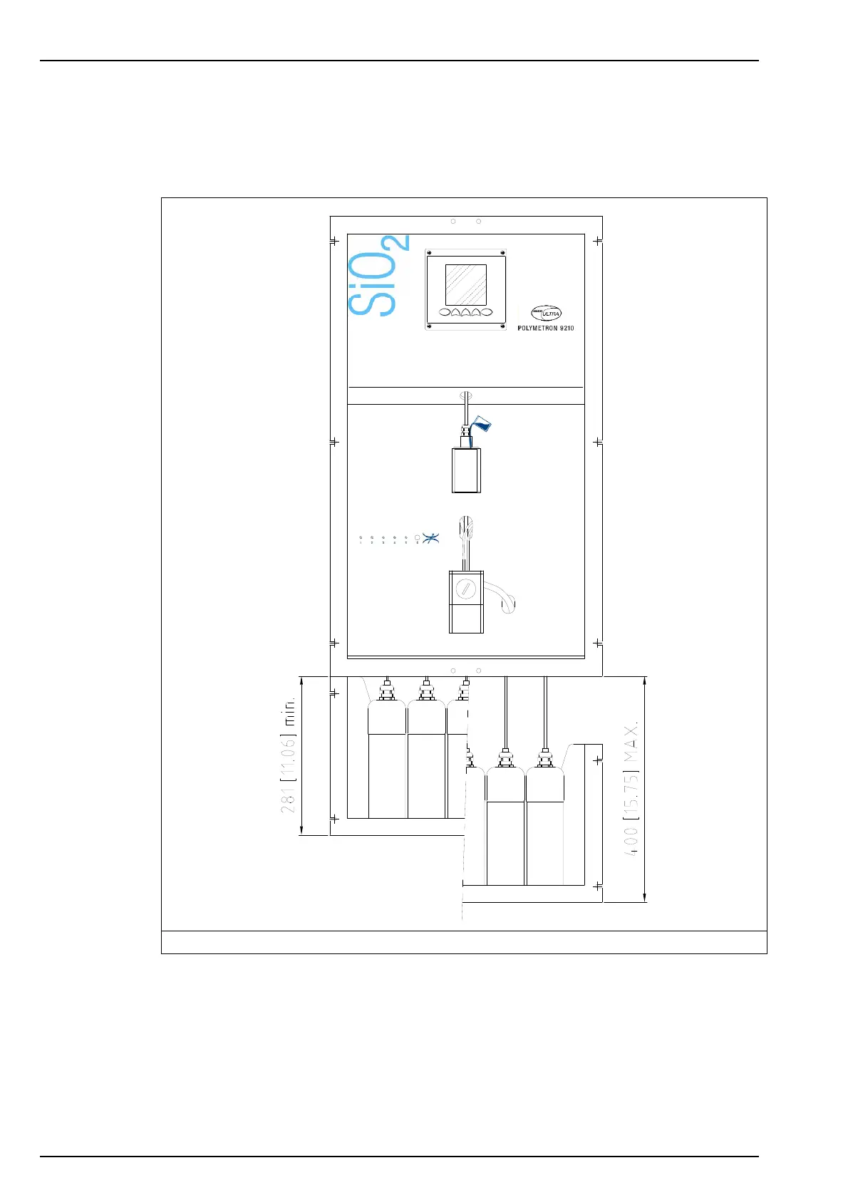
4.5 Installing the canister holder
For cabinet versions, a canister holder is pre-mounted in the rear of the cabinet. For the panel
version, a canister holder is supplied separately and must be installed under the analyzer as
illustrated in Figure 6 below.
Ensure the position of the canister holder does not exceed the maximum and minimum
distances from the bottom of the analyzer that are given in Figure 6 above.
Figure 6 Canister holders

Table of Contents