EasyManua.ls Logo

Powerware Plus 80 - Page 143

Default Icon
160 pages
Print Icon
To Next Page IconTo Next Page
To Next Page IconTo Next Page
To Previous Page IconTo Previous Page
To Previous Page IconTo Previous Page
Loading...
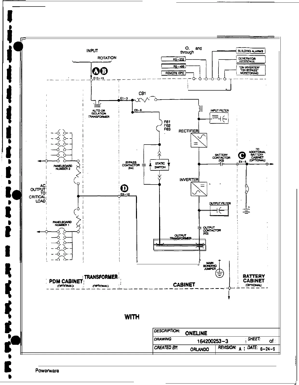
AC
INPUT
TO
UPS INPUT TRANSFORMER
3 WIRE. A-B-C
ROTAllON
(See Tables N.
0.
P.
and
Ron
pages A-4
thmugh
A-s.)
/ INTERFACE PANEL
I
1
/
INPUT
/
TRANSFORYER
j
:
PDMCABINET;
CABINET
/
I-
(oPnowO-
UPS
CABINET
____--_L---__-L--------------------
c
TO GROUND
UPS SYSTEM WITH OPTIONAL INPUT TRANSFORMER
oEscRlpTloNr
ONELINE
DRAWINGS OF UPS SYSTEM
DRAWING
NO:
1S4zoo253-3
IsH=
1
of:
CREATED
m
L
ORuNW
RNIsKIN:
A
:
aAE:
&24-g
Poweware Plus 90 UPS Installation Manual
A-9

Table of Contents

Related product manuals