EasyManua.ls Logo

Riele Photometer 5010 - Voltage 12 VDC of Halogen Lamp; Fuses F1, F2, and F3

Riele Photometer 5010
114 pages
Print Icon
To Next Page IconTo Next Page
To Next Page IconTo Next Page
To Previous Page IconTo Previous Page
To Previous Page IconTo Previous Page
Loading...
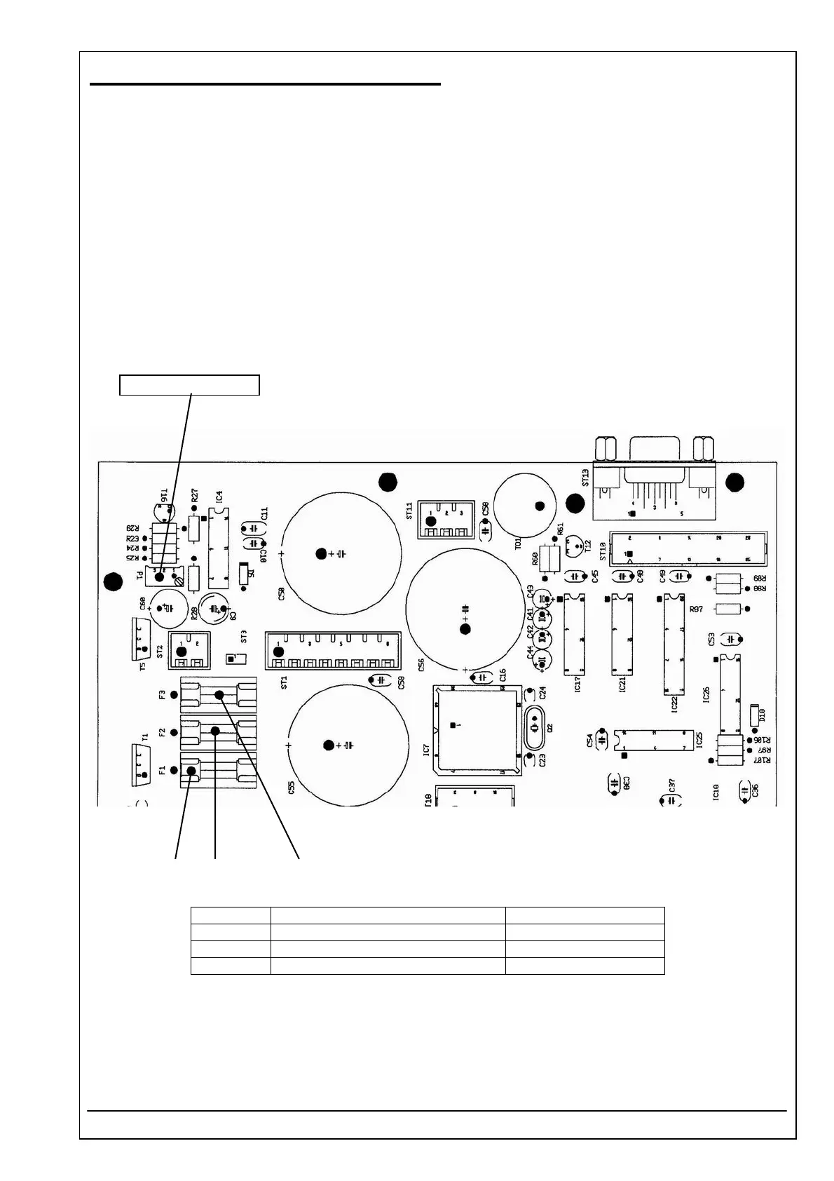
4.40 MOTHER BOARD RR-115 ID 5010-115
RIELE BERLIN Photometer 5010 / V4 4.40.4 22.09.2003
Voltage 12 V
DC
of halogen lamp
1. Before adjustment switch off Photometer 5010. Open the instrument. Open the photometer regarding
safety rules of chapter 1 of this service manual.
2. Switch on instrument.
3. Use DVM for measuring 12 VDC.
4. Connect the negative lead of DVM to the ground connector (soldering connector).
5. Connect the positive lead of DVM to the plus lead of the halogen lamp holder (red line).
6. Check the voltage +12 VDC (tolerance ± 100 mVDC).
7. If necessary adjust with potentiometer P1.
Turning clockwise increases voltage.
Turning counter-clockwise decreases voltage.
Fuses F1, F2, and F3
Name Protection Specification
F1 VCC (+ 5 VDC) / Peltierelement T 6.3 A / 250 V
F2 + 15 VDC / + 12 VDC T 3.15 A / 250 V
F3 Power supply printer + 5 VDC T 6.3 A / 250 V
Potentiometer P1

Related product manuals